首页
伤感说说
动漫配图
心情说说
抖音文案
伤感图片
伤感说说:
伤感的句子说说心情
空间说说
心情说说
爱情说说
女生伤感说说
人生感悟
心情不好的说说
说说带图片
关于生活的说说
说说心情短语
qq空间说说带图片
个性说说
励志名言
一句话经典语录
感悟人生的经典句子
短句吧
情感故事
抖音文案
伤感图片:
伤感图片带字
非主流伤感图片
唯美伤感图片
女生伤感图片
唯美意境图片
悲伤的图片
唯美意境伤感图片
只有字的伤感图片
说说图片
伤心的图片
美甲图片
图片大全
情感图片
微信头像男
动态壁纸
动漫配图
伤感图片
首页
>
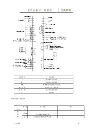
阿尔法变频器接线图
阿尔法变频器接线图,变频器的接线方法图
阿尔法6000s变频器在双螺杆食品膨化机上的应用
变频器控制线怎么接线变频器接线方法图解
阿尔法6000专用型变频器在胜利油田上的应用
各种变频器接线图集借鉴实操
变频器接线
更多推荐
变频器的接线方法图
变频器接线图实物图
变频器接线图电路图
变频器接线图
三相变频器接线图
变频器二次接线图
变频器外部接线图
台达变频器接线图解
一般变频器实物接线图
变频器怎么接线实物图
abb变频器接线图解
变频器控制接线实物图
变频器外部控制接线图
变频器接线端子说明图
变频器控制电机接线图
变频器接线
三相电变频器接法图解
plc与变频器的接线图
变频器接线端子说明
380v变频器实物接线图
变频器启停按钮接线图
变频器接线端子对照表
变频器外接按钮启动图
变频器控制面板图解
变频器面板按键说明图
变频器
变频器怎么调速度图解
变频器故障代码大全图
变频器字母代码大全图
变频器标志