首页
伤感说说
动漫配图
心情说说
抖音文案
伤感图片
伤感说说:
伤感的句子说说心情
空间说说
心情说说
爱情说说
女生伤感说说
人生感悟
心情不好的说说
说说带图片
关于生活的说说
说说心情短语
qq空间说说带图片
个性说说
励志名言
一句话经典语录
感悟人生的经典句子
短句吧
情感故事
抖音文案
伤感图片:
伤感图片带字
非主流伤感图片
唯美伤感图片
女生伤感图片
唯美意境图片
悲伤的图片
唯美意境伤感图片
只有字的伤感图片
说说图片
伤心的图片
美甲图片
图片大全
情感图片
微信头像男
动态壁纸
动漫配图
伤感图片
首页
>
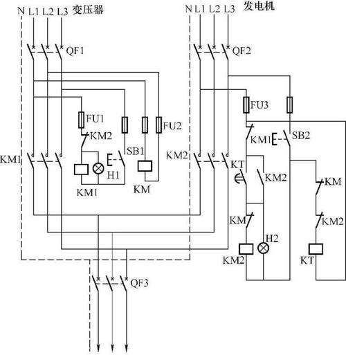
双电源自动切换线路图
双电源自动切换线路图,双电源自动切换电路图
双电源自动切换电路
图8-20 双电源自动切换电路
双电源自动切换电路的识读方法
请教下,怎么做双电源自动切换电路?
请问双电源切换配电箱里面的双电源切换开关和消防模块需要单独计算吗
更多推荐
双电源自动切换电路图
双电源自动切换接线图
双电源自动切换实物图
双电源自动切换原理图
双电源切换开关电路图
手动自动切换电路图
双电源自动切换
自制双电源切换接线图
双路电源自动切换器
双电源自动切换器
双电源自动切换原理
双电源自动切换装置
双电源自动切换箱
双电源供电电路图
双电源自动切换柜
380v双电源自动切换器
双电源电路图
接触器切换双电源图纸
三相四线双电源接线图
双电源切换配电箱
双电源配电箱接线图
双电源接线图
双电源切换器
双电源开关接线实物图
双电源控制柜接线图
双电源电路
双电源切换柜
双电源供电原理图
双电源切换箱
双电源配电箱接线