首页
伤感说说
动漫配图
心情说说
抖音文案
伤感图片
伤感说说:
伤感的句子说说心情
空间说说
心情说说
爱情说说
女生伤感说说
人生感悟
心情不好的说说
说说带图片
关于生活的说说
说说心情短语
qq空间说说带图片
个性说说
励志名言
一句话经典语录
感悟人生的经典句子
短句吧
情感故事
抖音文案
伤感图片:
伤感图片带字
非主流伤感图片
唯美伤感图片
女生伤感图片
唯美意境图片
悲伤的图片
唯美意境伤感图片
只有字的伤感图片
说说图片
伤心的图片
美甲图片
图片大全
情感图片
微信头像男
动态壁纸
动漫配图
伤感图片
首页
>
道岔十七尺示意图
道岔十七尺示意图,道岔十七处测量位置图
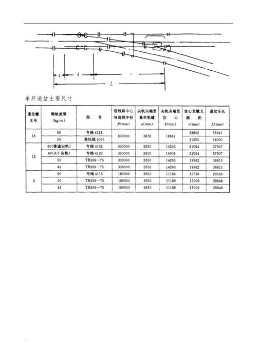
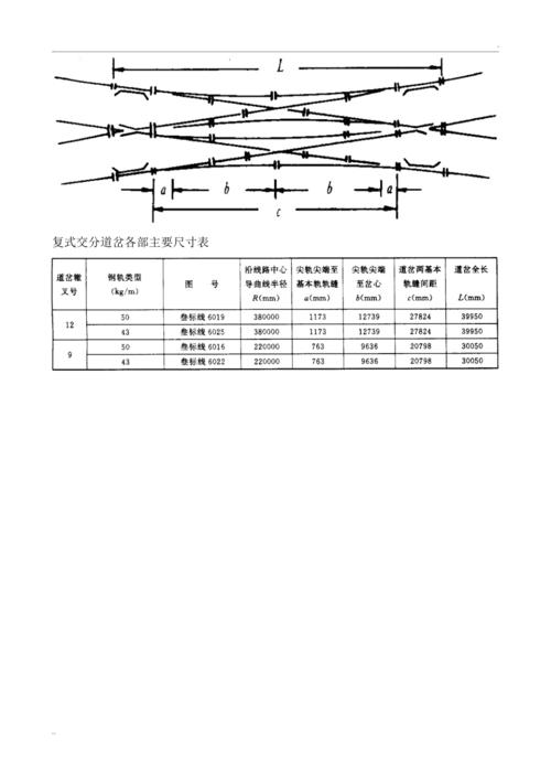
各种道岔尺寸表
各种道岔尺寸表
单开道岔检查
工务现场对道岔直,曲股道尺进行测量.
3m交渡道岔
更多推荐
道岔十七处测量位置图
道岔十七处位置图
9号道岔测量17个点图解
无极绳道岔
道岔示意图
单开道岔示意图
18号道岔图号及尺寸
道岔结构图
17道尺检查示意图
道岔平面图
道岔挤岔
倒尺法示意图
道岔设计图
道岔图片
单开道岔图片
十帝尺的摆放示意图
子宫图结构示意图
道岔
道岔手绘图
对称道岔
道岔结构
三开道岔
单开道岔
道岔转辙机
示意图
双开道岔
手摇道岔
倒尺法高程算法示意图
十七周胎心位置示意图
人体肌肉结构图示意图