首页
伤感说说
动漫配图
心情说说
抖音文案
伤感图片
伤感说说:
伤感的句子说说心情
空间说说
心情说说
爱情说说
女生伤感说说
人生感悟
心情不好的说说
说说带图片
关于生活的说说
说说心情短语
qq空间说说带图片
个性说说
励志名言
一句话经典语录
感悟人生的经典句子
短句吧
情感故事
抖音文案
伤感图片:
伤感图片带字
非主流伤感图片
唯美伤感图片
女生伤感图片
唯美意境图片
悲伤的图片
唯美意境伤感图片
只有字的伤感图片
说说图片
伤心的图片
美甲图片
图片大全
情感图片
微信头像男
动态壁纸
动漫配图
伤感图片
首页
>
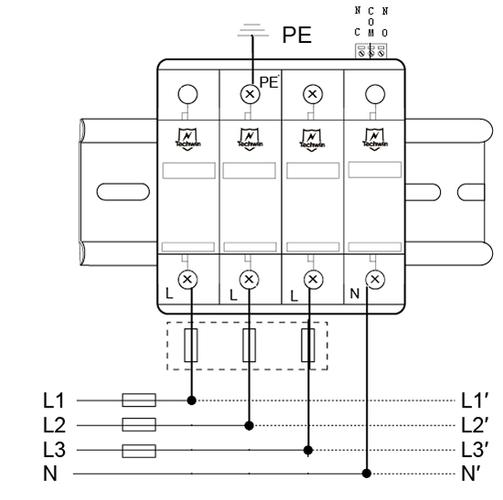
1p浪涌保护器接线图
1p浪涌保护器接线图,4p浪涌保护器接线图
浪涌保护器怎么接线
浪涌保护器接线方式
浪涌保护器怎么接线和安装
家用浪涌保护器疑问
浪涌保护器接线图解决方案华强电子网
更多推荐
4p浪涌保护器接线图
浪涌保护器接线图
浪涌保护器怎么接线图
三相浪涌保护器接线图
家用浪涌保护器接线图
浪涌保护器正确接线图
一级浪涌保护器接线图
防雷浪涌保护器接线图
220v浪涌保护器接线图
浪涌保护器如何接线
浪涌保护器接线
380v浪涌保护器接线图
浪涌保护器接线方法
浪涌保护器电路图
浪涌保护器怎么接
浪涌保护器图片
浪涌保护器接法
浪涌保护器图例
浪涌保护器系统图
三相四线浪涌接线图片
电源浪涌保护器接法
1p空开的零线接线图
浪涌保护器
施耐德1p漏保接线图
三相配电箱浪涌接线图
浪涌保护器图纸符号
1p漏保开关接线图解
浪涌保护器施耐德电气
1p空开正确接线图
1p配电箱正确接线图