首页
伤感说说
动漫配图
心情说说
抖音文案
伤感图片
伤感说说:
伤感的句子说说心情
空间说说
心情说说
爱情说说
女生伤感说说
人生感悟
心情不好的说说
说说带图片
关于生活的说说
说说心情短语
qq空间说说带图片
个性说说
励志名言
一句话经典语录
感悟人生的经典句子
短句吧
情感故事
抖音文案
伤感图片:
伤感图片带字
非主流伤感图片
唯美伤感图片
女生伤感图片
唯美意境图片
悲伤的图片
唯美意境伤感图片
只有字的伤感图片
说说图片
伤心的图片
美甲图片
图片大全
情感图片
微信头像男
动态壁纸
动漫配图
伤感图片
首页
>
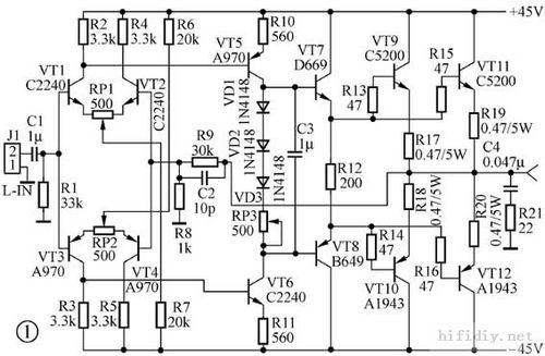
东芝对管功放电路图
东芝对管功放电路图,大功率后级功放电路图
跪求两对1943 5200对管后级功放电路图
你参考这个专业功放电路图.
metl mx3202功放电路图
分立后级无线电上的一款场效应管功放不知有人做过没
维修东芝c5198a1941对管功放
更多推荐
大功率后级功放电路图
3DD15D经典功放电路图
2n3055功放简单电路图
晶体管推挽功放电路图
双差分对管功放电路图
300w功放制作
分立式BTL功放电路
好声的分立功放电路图
850功放电路
1943对管后级电路图
简单对管功放电路图
850功放电路图
850功放板
对管功放电路图
大功率对管功放电路图
自制分立功放
自制1000w功放电路图
分立元件功放电路图
1943四管功放管电路图
三肯管末级功放电路图
乙类功率放大器电路图
全对称功放电路
新型BTL功放电路图
东芝功放管并联电路图
200w对管功放电路图
功放电路图
2n3055对管功放电路图
高保真功放电路图
12v100w功放电路图
简易100w功放电路图