首页
伤感说说
动漫配图
心情说说
抖音文案
伤感图片
伤感说说:
伤感的句子说说心情
空间说说
心情说说
爱情说说
女生伤感说说
人生感悟
心情不好的说说
说说带图片
关于生活的说说
说说心情短语
qq空间说说带图片
个性说说
励志名言
一句话经典语录
感悟人生的经典句子
短句吧
情感故事
抖音文案
伤感图片:
伤感图片带字
非主流伤感图片
唯美伤感图片
女生伤感图片
唯美意境图片
悲伤的图片
唯美意境伤感图片
只有字的伤感图片
说说图片
伤心的图片
美甲图片
图片大全
情感图片
微信头像男
动态壁纸
动漫配图
伤感图片
首页
>
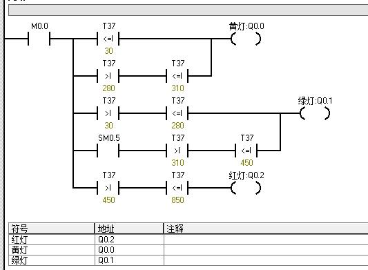
交通灯plc梯形图
交通灯plc梯形图,plc交通灯控制梯形图
plc十字路口的交通灯控制编程实例
梯形图2,交通信号灯系统正常工作时序图1,交通信号灯控制plc配置示意
红绿灯,电梯,液体,自动出货机等plc程序案例
plc交通灯梯形图
帮忙写一个plc梯形图和接线图.交通灯先黄灯亮3s,绿灯
更多推荐
plc交通灯控制梯形图
西门子plc交通灯梯形图
交通灯plc顺序功能图
交通灯梯形图
交通灯控制梯形图
plc红绿灯梯形图
plc交通灯接线图
plc简单红绿灯梯形图
plc交通灯接线图实物图
红绿灯plc控制梯形图
plc常用梯形图
plc梯形图
plc梯形图怎么看
plc流水灯程序梯形图
plc梯形图入门
plc交通灯
天塔之光plc梯形图
西门子plc红绿灯梯形图
plc交通灯外部接线图
plc自锁梯形图
正反转plc梯形图
三菱plc梯形图
plc交通灯控制流程图
抢答器plc梯形图
西门子plc流水灯梯形图
红绿灯循环亮plc梯形图
plc互锁梯形图
三菱plc交通灯
plc经典梯形图讲解
plc交通灯控制接线图