首页
伤感说说
动漫配图
心情说说
抖音文案
伤感图片
伤感说说:
伤感的句子说说心情
空间说说
心情说说
爱情说说
女生伤感说说
人生感悟
心情不好的说说
说说带图片
关于生活的说说
说说心情短语
qq空间说说带图片
个性说说
励志名言
一句话经典语录
感悟人生的经典句子
短句吧
情感故事
抖音文案
伤感图片:
伤感图片带字
非主流伤感图片
唯美伤感图片
女生伤感图片
唯美意境图片
悲伤的图片
唯美意境伤感图片
只有字的伤感图片
说说图片
伤心的图片
美甲图片
图片大全
情感图片
微信头像男
动态壁纸
动漫配图
伤感图片
首页
>
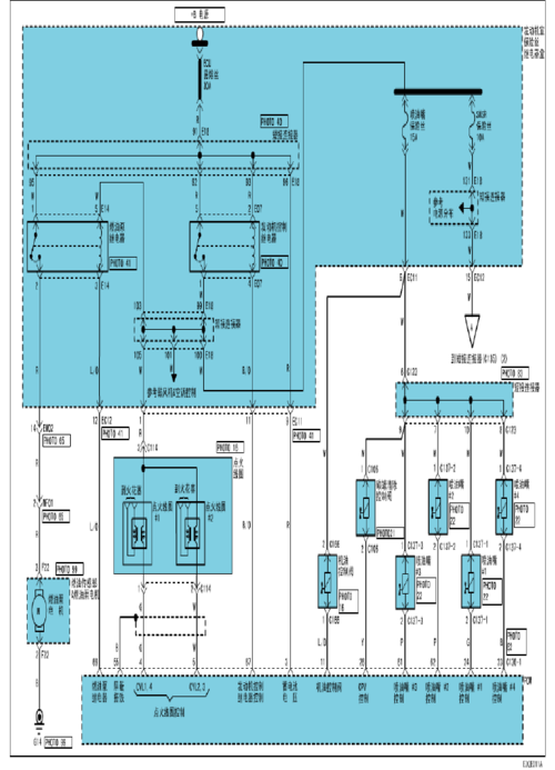
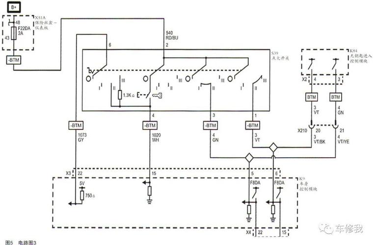
电子节气门电路图
电子节气门电路图,夏利n5节气门电路图
0ets(电子节气门)电路图1
别克君越节气门不停跳动,无法启动检修案例
电子节气门体总成及参数介绍
节气门位置传感器电路的识读
基础培训-电子节气门epc控制系统 电子油门控制系统(epc)-引脚电路图
更多推荐
夏利n5节气门电路图
电子节气门6线图解
电子节气门内部结构图
节气门示意图
节气门电路图
节气门六根线电路图
6线节气门线路图
电子节气门工作原理图
六线节气门电路图
节气门原理图
汽车电子节气门电路图
节气门控制电路图
电子节气门原理图
电子节气门图片
电子节气门结构图
电子节气门结构
电子节气门
节气门图片结构图
电子节气门故障灯
节气门六根线线路图
电子节气门怎么清洗
电子节气门位置传感器
节气门位置图
节气门工作原理
电路图入门
电路图图解
节气门图片
节气门故障灯图标
节气门位置传感器图
节气门传感器