首页
伤感说说
动漫配图
心情说说
抖音文案
伤感图片
伤感说说:
伤感的句子说说心情
空间说说
心情说说
爱情说说
女生伤感说说
人生感悟
心情不好的说说
说说带图片
关于生活的说说
说说心情短语
qq空间说说带图片
个性说说
励志名言
一句话经典语录
感悟人生的经典句子
短句吧
情感故事
抖音文案
伤感图片:
伤感图片带字
非主流伤感图片
唯美伤感图片
女生伤感图片
唯美意境图片
悲伤的图片
唯美意境伤感图片
只有字的伤感图片
说说图片
伤心的图片
美甲图片
图片大全
情感图片
微信头像男
动态壁纸
动漫配图
伤感图片
首页
>
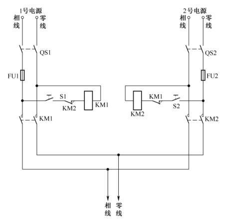
双电源一主一备接线图
双电源一主一备接线图,双电源自动转换接线图
双电源怎么接线双电源供电电路图
双电源供电原理_手机搜狐网
如果把双路电源安装成自动切换投入,就会节省大量人力,免得再去操心
双电源水泵控制箱一用一备排污泵交替轮换控制柜全自动风机配电箱
双电源怎么接线?双电源供电电路图
更多推荐
双电源自动转换接线图
双电源控制柜接线图
双风机双电源开关图纸
双电源实物接线图
ups电源和市电接线图
双电源箱接线方法图
消防双电源控制柜
双电源切换二次接线图
双电源二次接线图
双电源自动开关接线图
双电源供电电路图
自制双电源切换接线图
380v双电源自动切换器
双电源转换开关配电箱
双电源自动切换电路图
双电源自动切换原理图
双电源切换柜
双电源转换开关接线图
双电源配电柜系统图
双电源互投开关
双电源自动切换装置
双电源电机接线实物图
双电源电路
双电源开关接线实物图
接触器切换双电源图纸
双电源接线图
一主一备稳压泵接线图
双电源配电箱
双电源配电箱接线图
三相四线双电源接线图