首页
伤感说说
动漫配图
心情说说
抖音文案
伤感图片
伤感说说:
伤感的句子说说心情
空间说说
心情说说
爱情说说
女生伤感说说
人生感悟
心情不好的说说
说说带图片
关于生活的说说
说说心情短语
qq空间说说带图片
个性说说
励志名言
一句话经典语录
感悟人生的经典句子
短句吧
情感故事
抖音文案
伤感图片:
伤感图片带字
非主流伤感图片
唯美伤感图片
女生伤感图片
唯美意境图片
悲伤的图片
唯美意境伤感图片
只有字的伤感图片
说说图片
伤心的图片
美甲图片
图片大全
情感图片
微信头像男
动态壁纸
动漫配图
伤感图片
首页
>
欧姆龙plc接线图
欧姆龙plc接线图,欧姆龙plc怎么接线
plc与伺服接线图
欧姆龙plccp1e系列io接线图
欧姆龙plc型号cpm1a-30cdr-a-v1接线图
欧姆龙cpm2a-30cdr-a和模拟量控制模块cpm1a-mad01做恒压系统供水设计
欧姆龙plccp1en30sdra与npn型编码器连接
更多推荐
欧姆龙plc怎么接线
plc输入输出实物接线图
欧姆龙cp2e接线图
欧姆龙plc接线图实物图
欧姆龙plc接线图详解
欧姆龙plc外部接线图
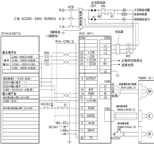
cp1h欧姆龙plc接线图
欧姆龙cp1eplc接线图
欧姆龙plccp1h接线
欧姆龙plc接线
欧姆龙plc完整接线图
欧姆龙plc接线端子图
欧姆龙cp1e接线图
欧姆龙cp1h接线图
欧姆龙接线图
欧姆龙继电器接线图
欧姆龙plccp1e
欧姆龙plc图片
plc接线图实物图
欧姆龙plc梯形图
plc接线图接近开关
欧姆龙plc指令表图
plc接线图实物图详解
plc接线图
欧姆龙plc型号图片
plc外部接线图
欧姆龙plc
西门子plc接线图
plc接线原理图
台达plc接线图