首页
伤感说说
动漫配图
心情说说
抖音文案
伤感图片
伤感说说:
伤感的句子说说心情
空间说说
心情说说
爱情说说
女生伤感说说
人生感悟
心情不好的说说
说说带图片
关于生活的说说
说说心情短语
qq空间说说带图片
个性说说
励志名言
一句话经典语录
感悟人生的经典句子
短句吧
情感故事
抖音文案
伤感图片:
伤感图片带字
非主流伤感图片
唯美伤感图片
女生伤感图片
唯美意境图片
悲伤的图片
唯美意境伤感图片
只有字的伤感图片
说说图片
伤心的图片
美甲图片
图片大全
情感图片
微信头像男
动态壁纸
动漫配图
伤感图片
首页
>
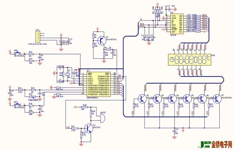
海尔冰箱电源板电路图
海尔冰箱电源板电路图,海尔冰箱接线图示意图
电源45元海尔冰箱原装变频电路控制主板电源69元海尔冰箱控制主板006
haier海尔bcd-196kfa电冰箱线路图
适用海尔冰箱电源板电脑控制板0061800149
适用于海尔冰箱电脑板电路主板电源板bcd-258wdpm,bcd-258wldebu1
haier海尔bcd-166tawl电冰箱电路原理图
更多推荐
海尔冰箱接线图示意图
海尔冰箱电路图大全
海尔冰箱控制板电路图
海尔冰箱接线图解接线
海尔冰箱电源板
海尔冰箱电源线位置
海尔冰箱常见故障处理
海尔冰箱维修
电冰箱电路图原理图
海尔冰箱电脑板电路图
冰箱电路图详细讲解
冰箱后面接线图 图解
海尔冰箱电路板接线图
海尔冰箱电路图
容声冰箱电路图
冰箱电路图工作原理图
风冷冰箱电路图
美菱冰箱电路图
冰箱电路图
电冰箱的简易电路图
家用冰箱电路图
电冰箱电路实物图
冰箱压缩机电路图
冰箱电路图简化
冰箱温控电路图及原理
海尔冰箱图片
海尔冰箱调温图解
海尔小冰箱价格及图片
电冰箱接线原理图
海尔冰箱图片价格大全