首页
伤感说说
动漫配图
心情说说
抖音文案
伤感图片
伤感说说:
伤感的句子说说心情
空间说说
心情说说
爱情说说
女生伤感说说
人生感悟
心情不好的说说
说说带图片
关于生活的说说
说说心情短语
qq空间说说带图片
个性说说
励志名言
一句话经典语录
感悟人生的经典句子
短句吧
情感故事
抖音文案
伤感图片:
伤感图片带字
非主流伤感图片
唯美伤感图片
女生伤感图片
唯美意境图片
悲伤的图片
唯美意境伤感图片
只有字的伤感图片
说说图片
伤心的图片
美甲图片
图片大全
情感图片
微信头像男
动态壁纸
动漫配图
伤感图片
首页
>
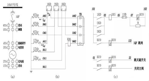
发电机电启动接线图
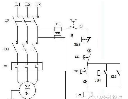
发电机电启动接线图,电机星三角启动接线图
发电机自动启停电路图大全接触器水泵启停电动机
柴油发电机组控制系统接线图应用,安装,试运行测试
某水电站发电机差动保护原理接线图
柴油发电机组市电得失自动识别自动控制电路设
器常开触点发电机自动启停电路图(一)发电机自动启停电路图启动按钮
更多推荐
电机星三角启动接线图
星角启动接线电路图
三相四线电表接线图
太阳能发电板接线图
光伏发电接线图详解
启动停止按钮接线图
太阳能板接电瓶接线图
降压启动电路图
单相电机正反转接线图
太阳能发电完整接线图
星三角启动原理接线图
星三角启动电路图
交流接触器接线图
接触器接线图
启动继电器
usb接口接线图
电表怎么接线
星三角降压启动电路图
开关接线图
多控开关接线图
光伏板的正确接线图
太阳能板接线图
双控开关接线图
12v太阳能板接线图
三控一灯开关接线图
双联双控开关接线图
单开双控开关接线图解
接线
开关怎么接线
启动马达