首页
伤感说说
动漫配图
心情说说
抖音文案
伤感图片
伤感说说:
伤感的句子说说心情
空间说说
心情说说
爱情说说
女生伤感说说
人生感悟
心情不好的说说
说说带图片
关于生活的说说
说说心情短语
qq空间说说带图片
个性说说
励志名言
一句话经典语录
感悟人生的经典句子
短句吧
情感故事
抖音文案
伤感图片:
伤感图片带字
非主流伤感图片
唯美伤感图片
女生伤感图片
唯美意境图片
悲伤的图片
唯美意境伤感图片
只有字的伤感图片
说说图片
伤心的图片
美甲图片
图片大全
情感图片
微信头像男
动态壁纸
动漫配图
伤感图片
首页
>
镀锌工艺流程
镀锌工艺流程,镀锌设备全自动生产线
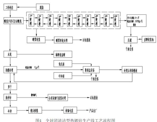
图4- 1号车间镀锌工艺流程图
镀锌钢管生产工艺流程
2,工艺流程(工艺流程如图4所示)总体布局如图1所示.
热镀锌工艺流程图
热镀锌(热浸锌)导线管生产工艺,镀锌穿线管 规格齐全
更多推荐
镀锌设备全自动生产线
热镀锌
镀锌铁丝生产工艺流程
镀黑锌工艺
镀锌工艺流程 电镀锌
涂膜镀锌
热镀锌工艺流程图
冷镀锌工艺
镀锌工艺流程 热镀锌
电镀锌
镀锌生产线工艺流程图
冷轧镀锌工艺流程图
镀锌工艺
镀铬工艺
电镀锌工艺流程图
钢结构施工工艺流程
镀金工艺流程
工艺流程
生产工艺流程
工艺流程文字
工艺流程图
脱硫工艺流程
封装工艺流程
喷漆工艺流程
sbr工艺流程的流程图
造纸工艺流程
镀锌
污水处理工艺流程
陶瓷工艺流程
镀锌槽钢