首页
伤感说说
动漫配图
心情说说
抖音文案
伤感图片
伤感说说:
伤感的句子说说心情
空间说说
心情说说
爱情说说
女生伤感说说
人生感悟
心情不好的说说
说说带图片
关于生活的说说
说说心情短语
qq空间说说带图片
个性说说
励志名言
一句话经典语录
感悟人生的经典句子
短句吧
情感故事
抖音文案
伤感图片:
伤感图片带字
非主流伤感图片
唯美伤感图片
女生伤感图片
唯美意境图片
悲伤的图片
唯美意境伤感图片
只有字的伤感图片
说说图片
伤心的图片
美甲图片
图片大全
情感图片
微信头像男
动态壁纸
动漫配图
伤感图片
首页
>
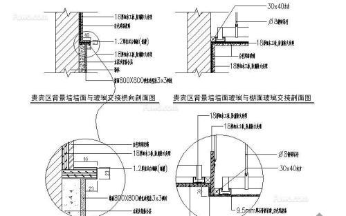
铝塑板安装方法
铝塑板安装方法,铝塑板门头安装方法
室外铝塑板安装
铝塑板安装
铝板墙面怎么做 干挂铝塑板施工工艺
铝塑板的安装施工方法
上海吉祥铝塑板常用的连接方式
更多推荐
铝塑板门头安装方法
美丽板安装过程
铝塑板折弯
铝塑板图片
护墙板图片
冲孔铝单板
铝塑板吊顶安装
墙面铝板安装
铝塑板吊顶
无缝铝单板安装图集
铝单板安装图
铝塑板吊顶安装方法
铝塑装饰保温板
外墙铝塑板怎么安装
铝塑板墙面装饰
铝扣板新手安装图解
铝塑板安装方法图解
铝塑板无缝安装方法
铝塑板干挂安装图解
铝塑板安装
铝塑板无缝干挂教程
铝塑板无缝干挂示意图
外墙铝板幕墙
无缝干挂铝塑板安装图
铝塑板无缝拼接教程
铝塑板怎么无缝拼接
外墙铝塑板安装
铝塑板干挂安装
铝塑板门头安装
铝扣板吊顶安装方法