首页
伤感说说
动漫配图
心情说说
抖音文案
伤感图片
伤感说说:
伤感的句子说说心情
空间说说
心情说说
爱情说说
女生伤感说说
人生感悟
心情不好的说说
说说带图片
关于生活的说说
说说心情短语
qq空间说说带图片
个性说说
励志名言
一句话经典语录
感悟人生的经典句子
短句吧
情感故事
抖音文案
伤感图片:
伤感图片带字
非主流伤感图片
唯美伤感图片
女生伤感图片
唯美意境图片
悲伤的图片
唯美意境伤感图片
只有字的伤感图片
说说图片
伤心的图片
美甲图片
图片大全
情感图片
微信头像男
动态壁纸
动漫配图
伤感图片
首页
>
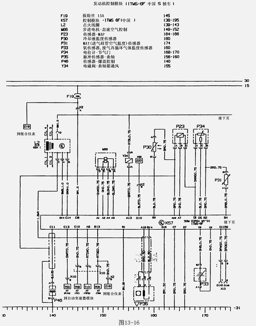
汽车电路基础知识入门
汽车电路基础知识入门,汽车基础知识
别克赛欧汽车维修基础电路图
电路图基础知识 阅读:2010-10-30 09:14 标签:电路图汽车
汽车电路基础知识:汽车电路的组成部分 汽车整车电路的组成
汽车电路图识读入门到精通(实战篇 全彩印刷)
奥迪电路图怎么看大众奥迪汽车电路图的识读入门
更多推荐
汽车基础知识
汽车构造基础知识
汽车构造基础知识图解
建筑识图入门基础知识
乐谱基础知识入门
k线入门基础知识图解
股票入门基础知识
音乐简谱基础知识入门
汽车维修知识大全图解
乐理基础知识
简谱基础知识电子琴
装配钳工图纸基础知识
plc基础知识符号图解
电脑键盘功能基础知识
乐谱基础知识
国画基础知识
k线的基础知识
均线图基础知识及图解
汽车全车构造及原理图
k线图基础知识图解
汽车内部基本结构图解
k线图基础知识
k线图基础知识颜色
股票均线图基础知识
汽车构造图解及原理
英语语法基础知识大全
汽车的车身结构图解
四柱八字基础知识图解
汽车构造图解
股票k线图基础知识