首页
伤感说说
动漫配图
心情说说
抖音文案
伤感图片
伤感说说:
伤感的句子说说心情
空间说说
心情说说
爱情说说
女生伤感说说
人生感悟
心情不好的说说
说说带图片
关于生活的说说
说说心情短语
qq空间说说带图片
个性说说
励志名言
一句话经典语录
感悟人生的经典句子
短句吧
情感故事
抖音文案
伤感图片:
伤感图片带字
非主流伤感图片
唯美伤感图片
女生伤感图片
唯美意境图片
悲伤的图片
唯美意境伤感图片
只有字的伤感图片
说说图片
伤心的图片
美甲图片
图片大全
情感图片
微信头像男
动态壁纸
动漫配图
伤感图片
首页
>
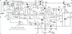
以拓智能充电器原理图
以拓智能充电器原理图,以拓充电器电路图
智能充电器的pcb原理图免费下载
正品以拓智能微电脑蓄电池充电器12v24v电瓶充电器可修复接反保护
智能充电器
为铅酸蓄电池充电器制作一个智能定时插座
电动车充电器原理图
更多推荐
以拓充电器电路图
百信以拓充电器电路图
电动扳手充电器原理图
电动车充电器原理图
充电器电路原理图讲解
充电器原理图
充电器原理图详解
以拓充电器cd03电路图
3842充电器原理图
智能充电器图片
手机充电器原理图
电动车充电器电路图
48v电动车充电器电路图
智能充电器
电动车智能充电器
充电器电路图
智能脉冲充电器
以拓充电器
12v24v智能电瓶充电器
60v电动车充电器电路图
3842充电器电路图
48v充电器详细电路图
智能手环充电器图片
智能充电器12v一24v
60v充电器详细电路图
汽车智能充电器
智能小车原理图
经典3842充电器电路图
72v充电器电路图
图解电动车充电器元件