首页
伤感说说
动漫配图
心情说说
抖音文案
伤感图片
伤感说说:
伤感的句子说说心情
空间说说
心情说说
爱情说说
女生伤感说说
人生感悟
心情不好的说说
说说带图片
关于生活的说说
说说心情短语
qq空间说说带图片
个性说说
励志名言
一句话经典语录
感悟人生的经典句子
短句吧
情感故事
抖音文案
伤感图片:
伤感图片带字
非主流伤感图片
唯美伤感图片
女生伤感图片
唯美意境图片
悲伤的图片
唯美意境伤感图片
只有字的伤感图片
说说图片
伤心的图片
美甲图片
图片大全
情感图片
微信头像男
动态壁纸
动漫配图
伤感图片
首页
>
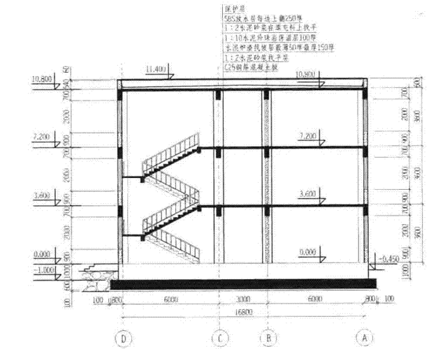
建筑标高图解
建筑标高图解,建筑标高图解层高
绝对标高是指建筑标高相对与国家黄海标高的高度.
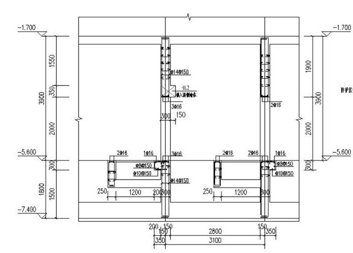
这张施工图里的基础层底标高,层高.首层底标高怎么看
gcl和ggj里的楼层定义的标高都是结构标高
基础顶面就变成了地下室地面,基础顶面也就有了建筑标高,如图4所示
所以我是按哪个来设置地下室层高与标高图二是:地下室建筑报建图
更多推荐
建筑标高图解层高
结构标高图解
平面图标高符号
管道图纸标高符号大全
标高符号图解
道路标高
标高图
结构标高
建筑标高符号的画法
剖面图标高
建筑标高和结构标高图
标高符号的标准画法
平面图标高
层高和标高图解
建筑标高符号
建筑标高
图纸标高符号
标高图纸
立面图标高
给排水管道标高图解
标高
室内标高
立面标高
标高基准点
剖面标高
桩顶标高
标高算法
建筑图片
室外地坪标高
标高符号