首页
伤感说说
动漫配图
心情说说
抖音文案
伤感图片
伤感说说:
伤感的句子说说心情
空间说说
心情说说
爱情说说
女生伤感说说
人生感悟
心情不好的说说
说说带图片
关于生活的说说
说说心情短语
qq空间说说带图片
个性说说
励志名言
一句话经典语录
感悟人生的经典句子
短句吧
情感故事
抖音文案
伤感图片:
伤感图片带字
非主流伤感图片
唯美伤感图片
女生伤感图片
唯美意境图片
悲伤的图片
唯美意境伤感图片
只有字的伤感图片
说说图片
伤心的图片
美甲图片
图片大全
情感图片
微信头像男
动态壁纸
动漫配图
伤感图片
首页
>
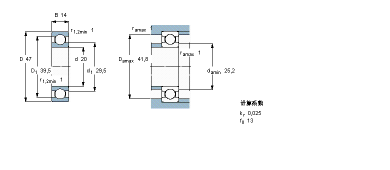
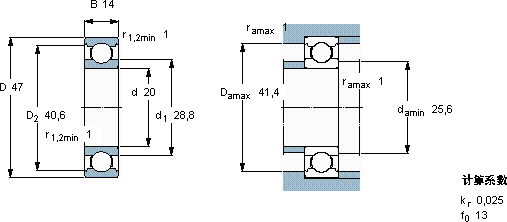
6204轴承尺寸
6204轴承尺寸,22212轴承尺寸
常用公制轴承规格表
厂家直销 6204轴承 6204zz轴承 6204rs轴承 高品质 浙江轴承
skf 6204*深沟球轴承
现货电机人本高速轴承6206 6206 6205 6204 6203 6202 6201rz
skf w6204轴承
更多推荐
22212轴承尺寸
6206轴承尺寸
6006轴承尺寸
6207轴承尺寸
6001轴承尺寸
6305轴承尺寸
6004轴承尺寸参数图
6204轴承尺寸参数图
轴承尺寸
轴承型号与尺寸
6205轴承尺寸参数图
6204轴承
6204轴承图纸
30205轴承尺寸参数图纸
6206深沟球轴承
6404轴承
轴承型号查询尺寸大全
6203轴承参数
轴承6207
轴承6203
620轴承
轴承大全数据尺寸图
6208轴承
深沟球轴承尺寸规格表
6301轴承
偏心轴承型号尺寸图片
轴承型号
轴承型号规格表
轴承
轴承规格表大全