首页
伤感说说
动漫配图
心情说说
抖音文案
伤感图片
伤感说说:
伤感的句子说说心情
空间说说
心情说说
爱情说说
女生伤感说说
人生感悟
心情不好的说说
说说带图片
关于生活的说说
说说心情短语
qq空间说说带图片
个性说说
励志名言
一句话经典语录
感悟人生的经典句子
短句吧
情感故事
抖音文案
伤感图片:
伤感图片带字
非主流伤感图片
唯美伤感图片
女生伤感图片
唯美意境图片
悲伤的图片
唯美意境伤感图片
只有字的伤感图片
说说图片
伤心的图片
美甲图片
图片大全
情感图片
微信头像男
动态壁纸
动漫配图
伤感图片
首页
>
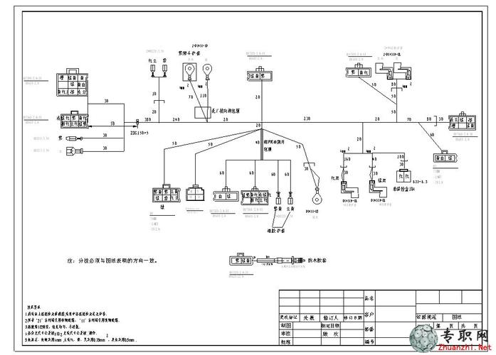
汽车线束原理图
汽车线束原理图,汽车线束原理图设计
某产品的线束图纸下载
汽车线束技术路线浅析二
到2027年全球汽车线束市场规模将增至554亿美元
汽车线束ppt
汽车线束图纸的自动识别方法
更多推荐
汽车线束原理图设计
汽车整车线束图解
线束组装图
线束图纸入门
线束图纸怎么画
汽车线束图解
线束整车
线束图纸
汽车线束车间
汽车线束图片
汽车线束生产线图片
汽车线束流水线图片
汽车线束生产线
汽车线束生产车间
汽车线束装配
汽车线束端子
汽车线束
原理图工作原理
汽车线束厂
汽车线束生产线组装
汽车线束工太累了
电动汽车高压线束
双速电机接线图原理图
线束图片
汽车线束颜色对照表
线束车间
plc接线原理图
原理图
液压原理图
简单原理图