首页
伤感说说
动漫配图
心情说说
抖音文案
伤感图片
伤感说说:
伤感的句子说说心情
空间说说
心情说说
爱情说说
女生伤感说说
人生感悟
心情不好的说说
说说带图片
关于生活的说说
说说心情短语
qq空间说说带图片
个性说说
励志名言
一句话经典语录
感悟人生的经典句子
短句吧
情感故事
抖音文案
伤感图片:
伤感图片带字
非主流伤感图片
唯美伤感图片
女生伤感图片
唯美意境图片
悲伤的图片
唯美意境伤感图片
只有字的伤感图片
说说图片
伤心的图片
美甲图片
图片大全
情感图片
微信头像男
动态壁纸
动漫配图
伤感图片
首页
>
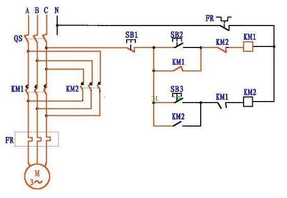
控制电机正反转电路图
控制电机正反转电路图,正反转控制电路图原理
三相电机正反转控制电路图
一,接触器联锁的正反转控制线路;: 1, 电路
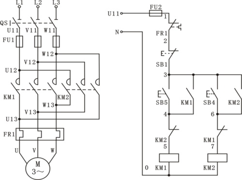
实训一 接触器联锁的三相异步电动机正反转控制电路
三相电机改二相方法三相电机的正反转控制电路图
三相电动机的正反转电路图!
更多推荐
正反转控制电路图原理
电机正反转控制电路
交流接触器自锁原理
带限位开关电机正反转
三相电正反转怎么接
正反转电路图接线方法
12v直流电机正反转控制
全自动控制柜
电机正反转原理图
直流电机正反转开关
控制电机正反转
电机正反转电路图
正反转控制电路图实物
三相正反转实物接线图
正反转点动控制电路图
电机启停控制电路图
控制电机正反转梯形图
直流电机正反转电路图
控制电机正反转接线图
电机点动控制电路图
电机正反转控制电路图
单相电机正反转电路图
正反转控制电路图
正反转控制电机接线图
24v电机正反转电路图
正反转控制电路接线图
电机控制电路图大全
电机启动控制电路图
正反转控制电路图220v
电机电路图接线图解