首页
伤感说说
动漫配图
心情说说
抖音文案
伤感图片
伤感说说:
伤感的句子说说心情
空间说说
心情说说
爱情说说
女生伤感说说
人生感悟
心情不好的说说
说说带图片
关于生活的说说
说说心情短语
qq空间说说带图片
个性说说
励志名言
一句话经典语录
感悟人生的经典句子
短句吧
情感故事
抖音文案
伤感图片:
伤感图片带字
非主流伤感图片
唯美伤感图片
女生伤感图片
唯美意境图片
悲伤的图片
唯美意境伤感图片
只有字的伤感图片
说说图片
伤心的图片
美甲图片
图片大全
情感图片
微信头像男
动态壁纸
动漫配图
伤感图片
首页
>
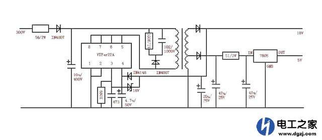
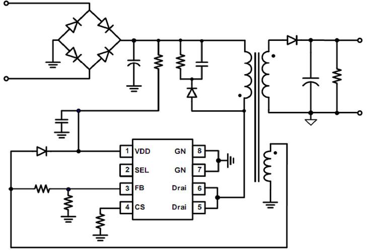
常用8脚开关电源芯片
常用8脚开关电源芯片,常用8脚电源ic电路图
4号引脚为芯片的电源供电端;5-8号引脚为内部开关管的漏极
友恩半导体电源管理芯片u6514介绍
高功率密度快速响应费控开关电源控制芯片scm1725a
8脚小功率开关电源芯片u6117d--vdd供电启动运行特点
直插电源ic dk124 dip-8脚 24w开关电源控制器芯片 充电适配器ic
更多推荐
常用8脚电源ic电路图
qw3858开关电源电路图
电热水壶8脚芯片
ka7552电路图
lp2178电路图
降压电源芯片
lm2594电路图
dh321电源块的应用图
LLc开关电源芯
uc3844开关电源电路图
八脚电源芯片
电源ic
开关电源常用芯片
8脚电源芯片电路图
sd6832开关电源电路图
八脚芯片引脚作用图解
八脚集成块引脚识别图
7脚电源芯片引脚图
电磁炉电源电路图
电磁炉电源芯片型号
贴片六脚电源芯片维修
开关电源芯片
dk124电源电路图
8脚电源芯片引脚图片
ob2500pop电路图引脚图
thx203h电路图
8脚电源芯片
电源ic芯片
7脚电源ic电路图
油烟机8脚电源芯片