首页
伤感说说
动漫配图
心情说说
抖音文案
伤感图片
伤感说说:
伤感的句子说说心情
空间说说
心情说说
爱情说说
女生伤感说说
人生感悟
心情不好的说说
说说带图片
关于生活的说说
说说心情短语
qq空间说说带图片
个性说说
励志名言
一句话经典语录
感悟人生的经典句子
短句吧
情感故事
抖音文案
伤感图片:
伤感图片带字
非主流伤感图片
唯美伤感图片
女生伤感图片
唯美意境图片
悲伤的图片
唯美意境伤感图片
只有字的伤感图片
说说图片
伤心的图片
美甲图片
图片大全
情感图片
微信头像男
动态壁纸
动漫配图
伤感图片
首页
>
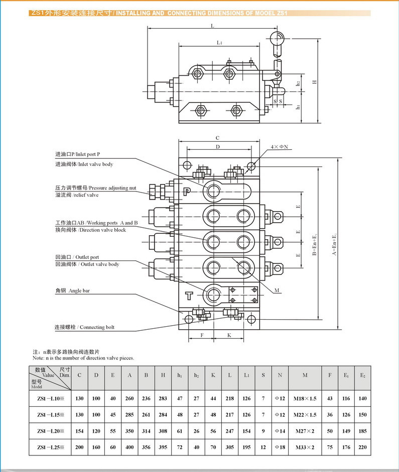
串联多路阀安装示意图
串联多路阀安装示意图,两个多路阀怎样连接图
能够组成并联,串联或串并联复合油路,并有多种滑阀机能,定位,复位方式
溢流阀串联油路压力分析
多路阀结构原理
供应dl*-f15l液压手动多路换向阀 起重机多路手动液压阀图片_10
dl8cyf下车多路阀
更多推荐
两个多路阀怎样连接图
多路阀油管接法图
多路阀调压阀图片
多路换向阀的安装图
多路阀进回油安装图
液压分配器油管接法图
拖拉机多路阀安装过程
拖拉机加装多路阀接法
液压分配器油管接法
液压多路阀安装示意图
多路阀串联连接原理图
液压分配器接法示意图
液压多路阀进出示意图
串联暖气安装示意图
多路阀安装示意图
电磁阀安装示意图
减压阀安装示意图
一根管串联暖气安装图
两个热水器串联示意图
暖气串联大循环示意图
水泵安装示意图
串联两个太阳能安装图
消防水泵安装示意图
风撑安装示意图
串联接灯泡线的示意图
磁力锁安装示意图
吊码安装示意图
ttu安装示意图
小厨宝安装示意图
稳压罐安装示意图