首页
伤感说说
动漫配图
心情说说
抖音文案
伤感图片
伤感说说:
伤感的句子说说心情
空间说说
心情说说
爱情说说
女生伤感说说
人生感悟
心情不好的说说
说说带图片
关于生活的说说
说说心情短语
qq空间说说带图片
个性说说
励志名言
一句话经典语录
感悟人生的经典句子
短句吧
情感故事
抖音文案
伤感图片:
伤感图片带字
非主流伤感图片
唯美伤感图片
女生伤感图片
唯美意境图片
悲伤的图片
唯美意境伤感图片
只有字的伤感图片
说说图片
伤心的图片
美甲图片
图片大全
情感图片
微信头像男
动态壁纸
动漫配图
伤感图片
首页
>
武装部器材室清单
武装部器材室清单,乡镇武装部器材库器材
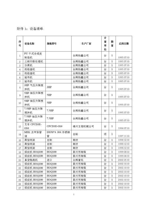
附件1:设备清单.doc
东海县人民武装部装修(会议室)-表-15-2承包人供应材料一览表
市武装部在庙街乡召开民兵整组工作交流会
体育器材室器材明细表.doc
某乡镇人武部器材室
更多推荐
乡镇武装部器材库器材
武装部器材室效果图
部队文体器材清单
民兵营装备器材清单
武装部办公室
武装部服装
武装部部长
武装部装修
武装部服装文职
武装部
防汛器材清单
美术器材室有哪些器材
武装部服装图片
文体器材清单图
乡镇武装部
武装部军装
体能训练器材清单
武装部门头
武装部大楼
武装部大门
武装部标志
武装部臂章
应急救援器材清单
美术教室器材设备清单
武装部图片
武装部军衔
篮球训练器材清单
器材室
武装部军衔干事
学校器材室