首页
伤感说说
动漫配图
心情说说
抖音文案
伤感图片
伤感说说:
伤感的句子说说心情
空间说说
心情说说
爱情说说
女生伤感说说
人生感悟
心情不好的说说
说说带图片
关于生活的说说
说说心情短语
qq空间说说带图片
个性说说
励志名言
一句话经典语录
感悟人生的经典句子
短句吧
情感故事
抖音文案
伤感图片:
伤感图片带字
非主流伤感图片
唯美伤感图片
女生伤感图片
唯美意境图片
悲伤的图片
唯美意境伤感图片
只有字的伤感图片
说说图片
伤心的图片
美甲图片
图片大全
情感图片
微信头像男
动态壁纸
动漫配图
伤感图片
首页
>
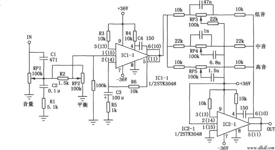
音频轨道电路
音频轨道电路,轨道继电器电路
分类 工程科技 交通运输 第4讲 列车定位技术ppt s型联接音频轨道电路
音频电路
音频电路
25hz轨道电路结构及常见故障处理
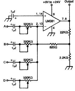
电子工程,在这个电路图是一个非常简单的低成本4通道音频混合器.
更多推荐
轨道继电器电路
轨道电路
轨道电路图
道岔轨道电路示意图
音频振荡电路图
轨道电路示意图
基本轨道电路图
双线轨道电路图
25hz轨道电路
铁路轨道电路示意图
25hz电码化轨道电路图
25hz轨道电路图
音频前置放大电路图
轨道电路基本原理图
一送二受轨道电路图
音频振荡电路原理图
轨道电路图现场图片
双线轨道电路布置图
轨道电路命名示意图
轨道电路的工作原理图
简易音频振荡器电路图
音频信号发生器电路图
双线轨道电路图的画法
25hz相敏轨道电路图
lm358音频放大电路图
zpw2000a轨道电路图
轨道插座
音频波形
音频连接线
音频波形图