首页
伤感说说
动漫配图
心情说说
抖音文案
伤感图片
伤感说说:
伤感的句子说说心情
空间说说
心情说说
爱情说说
女生伤感说说
人生感悟
心情不好的说说
说说带图片
关于生活的说说
说说心情短语
qq空间说说带图片
个性说说
励志名言
一句话经典语录
感悟人生的经典句子
短句吧
情感故事
抖音文案
伤感图片:
伤感图片带字
非主流伤感图片
唯美伤感图片
女生伤感图片
唯美意境图片
悲伤的图片
唯美意境伤感图片
只有字的伤感图片
说说图片
伤心的图片
美甲图片
图片大全
情感图片
微信头像男
动态壁纸
动漫配图
伤感图片
首页
>
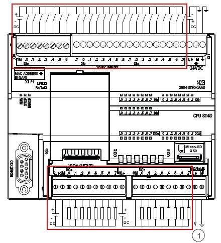
西门子sr20实物接线图
西门子sr20实物接线图,西门子plc接线图实物图
cpu sr20接线图cpu sr20接线图cpu st20接线图cpu st20接线图cpu cr20
200smart cr20s接线图有吗-工业支持中心-西门子中国
西门子sr20模块供应12输入8输出
cpu sr20接线图s7-200系列plc可提供4个不同的基本型号的8种cpu供您
西门子sr20
更多推荐
西门子plc接线图实物图
西门子sr30接线图
西门子1200接线图
西门子1200接线
西门子接线图
西门子模块接线图
西门子plc接线图详解
西门子ae08接线图
西门子720烟感接线图
s7200实物接线图
西门子多控接线图
西门子plc外部接线图
西门子plc接线
西门子消防模块接线图
西门子一开多控接线图
西门子烟感底座接线图
西门子消防设备接线图
西门子消防接线大全图
西门子烟感环形接线图
西门子定位器接线图解
西门子消防烟感接线图
西门子v90接线图
西门子定位器接线
电机正反转实物接线图
西门子sr30
西门子烟感环形布线图
马兰士sr3500接线图
西门子sr40
三相四线电表接线图
usb接口接线图