首页
伤感说说
动漫配图
心情说说
抖音文案
伤感图片
伤感说说:
伤感的句子说说心情
空间说说
心情说说
爱情说说
女生伤感说说
人生感悟
心情不好的说说
说说带图片
关于生活的说说
说说心情短语
qq空间说说带图片
个性说说
励志名言
一句话经典语录
感悟人生的经典句子
短句吧
情感故事
抖音文案
伤感图片:
伤感图片带字
非主流伤感图片
唯美伤感图片
女生伤感图片
唯美意境图片
悲伤的图片
唯美意境伤感图片
只有字的伤感图片
说说图片
伤心的图片
美甲图片
图片大全
情感图片
微信头像男
动态壁纸
动漫配图
伤感图片
首页
>
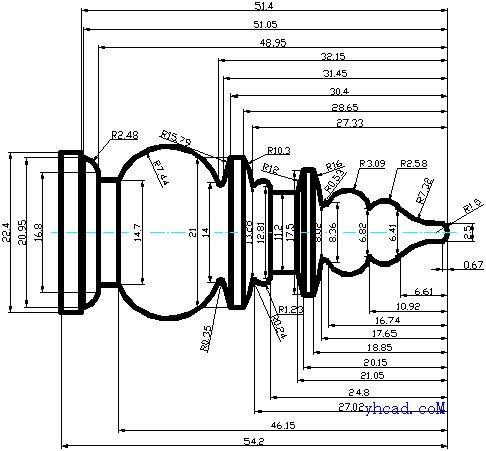
数控工艺品图片大全
数控工艺品图片大全,图片大全
数控车床如何车个漂亮的葫芦工艺品
有数控车的大神吗?老师让我们做个工艺品带回家.
麦克工艺品图片_麦克工艺品图片大全 - 阿里巴巴海量精选高清图片
cnc精雕加工 数控车床加工 铝件铜件工艺品加工 来样制作
cnc精雕加工 数控车床加工 铝件铜件工艺品加工 来样制作
更多推荐
图片大全
牡丹花图片大全大图
大海的图片大全
蒲公英图片大全大图
风景图片大全大自然
风景图片大全
鲜花图片大全
伤感图片大全
荷花图片大全
明星图片大全
画画图片大全
奥特曼图片大全
简笔画图片大全
早上好图片最新图片
汽车标志图片大全
图片
生日蛋糕图片大全
风景图片
交通标志大全图片
读书手抄报图片大全
图片大吉
花的图片
图片传说
图片就这样
图片头像
七巧板拼图图案大全
图片壁纸
图片中国
图片上班
头像大全