首页
伤感说说
动漫配图
心情说说
抖音文案
伤感图片
伤感说说:
伤感的句子说说心情
空间说说
心情说说
爱情说说
女生伤感说说
人生感悟
心情不好的说说
说说带图片
关于生活的说说
说说心情短语
qq空间说说带图片
个性说说
励志名言
一句话经典语录
感悟人生的经典句子
短句吧
情感故事
抖音文案
伤感图片:
伤感图片带字
非主流伤感图片
唯美伤感图片
女生伤感图片
唯美意境图片
悲伤的图片
唯美意境伤感图片
只有字的伤感图片
说说图片
伤心的图片
美甲图片
图片大全
情感图片
微信头像男
动态壁纸
动漫配图
伤感图片
首页
>
石蜡油制乙烯装置图
石蜡油制乙烯装置图,乙醇制取乙烯装置图解
注册x 常见的工艺流程图, 乙烯装置工艺流程图, 催化重整工艺流程图
①只有甲烷 ②只有乙烯 ③烷烃跟烯烃的混合物 (2)将石蜡油分解所得
乙烯装置流程图(实际)
网站首页 海量文档 行业资料 石油/天然气工业 乙烯装置流程图实际.
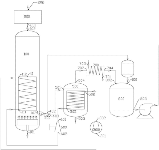
乙炔加氢制乙烯的反应系统技术方案
更多推荐
乙醇制取乙烯装置图解
制乙烯的实验装置图
制取乙酸乙酯的装置图
电石制备乙炔的装置图
乙烯实验室制法装置图
制乙炔的实验装置图
白油石蜡油
乙烯的实验室制法装置
石蜡油
石蜡油图片
医用石蜡油图片
制取乙烯
医用石蜡油
石蜡油医用口服图片
制硝基苯的实验装置图
液体石蜡油
医用口服石蜡油
石蜡油清洗剂
橡胶石蜡油
石蜡油棉球
石蜡油外敷
制氧气装置
工业制氮装置
制氮装置
可食用石蜡油
石蜡油润滑剂
制氧气装置高锰酸钾
实验室制取乙酸乙酯
52号石蜡油
乙烯的实验室制法