首页
伤感说说
动漫配图
心情说说
抖音文案
伤感图片
伤感说说:
伤感的句子说说心情
空间说说
心情说说
爱情说说
女生伤感说说
人生感悟
心情不好的说说
说说带图片
关于生活的说说
说说心情短语
qq空间说说带图片
个性说说
励志名言
一句话经典语录
感悟人生的经典句子
短句吧
情感故事
抖音文案
伤感图片:
伤感图片带字
非主流伤感图片
唯美伤感图片
女生伤感图片
唯美意境图片
悲伤的图片
唯美意境伤感图片
只有字的伤感图片
说说图片
伤心的图片
美甲图片
图片大全
情感图片
微信头像男
动态壁纸
动漫配图
伤感图片
首页
>
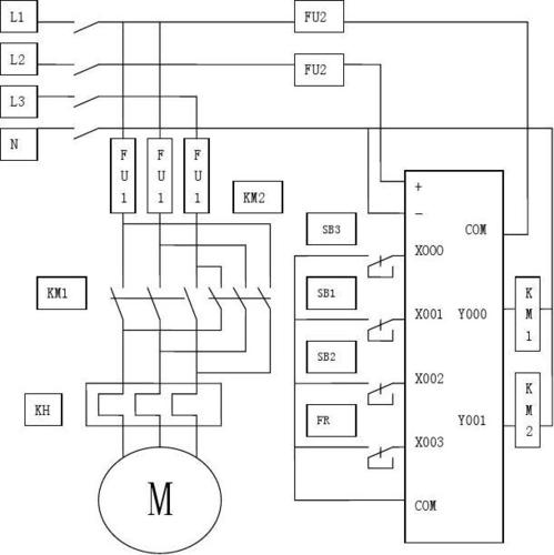
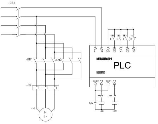
plc正反转原理图
plc正反转原理图,plc电机正反转原理图
三菱案例|如何使用正反转控制电路转换成plc控制!
plc控制电机正反转原理图
三相异步电动机正反转点动,起动控制电路改造成西门子plc程序?
plc实验三三相电机正反转和星形三角形启动控制.pdf 4页
plc以开关量方式控制变频器驱动电动机正反转的线路图如下图所示
更多推荐
plc电机正反转原理图
plc正反转电路图
正反转原理图讲解
正反转原理图
plc正反转接线图实物图
正反转plc程序图
电机正反转原理图
正反转控制电路图原理
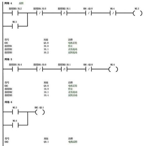
plc正反转梯形图
电机正反转原理图讲解
plc正反转控制电路图
手电钻正反转原理图
plc原理图
plc正反转的编程图
plc正反转
plc电机正反转接线图
电机正反转plc梯形图
电动机正反转plc程序图
plc电路控制原理图
plc内部继电器原理图
正反转控制电路图
正反转电路图
正反转接线图实物
正反转接线图
正反转梯形图
简单的正反转电路图
电机正反转控制电路图
电机正反转电路图
plc控制系统电气原理图
PLC正反转