首页
伤感说说
动漫配图
心情说说
抖音文案
伤感图片
伤感说说:
伤感的句子说说心情
空间说说
心情说说
爱情说说
女生伤感说说
人生感悟
心情不好的说说
说说带图片
关于生活的说说
说说心情短语
qq空间说说带图片
个性说说
励志名言
一句话经典语录
感悟人生的经典句子
短句吧
情感故事
抖音文案
伤感图片:
伤感图片带字
非主流伤感图片
唯美伤感图片
女生伤感图片
唯美意境图片
悲伤的图片
唯美意境伤感图片
只有字的伤感图片
说说图片
伤心的图片
美甲图片
图片大全
情感图片
微信头像男
动态壁纸
动漫配图
伤感图片
首页
>
继电器型plc
继电器型plc,plc继电器接线图
cpu226 ac/dc/继电器型plc的接线图
中间继电器用plc控制接线方法
plc晶体管输出接继电器带动电磁阀要怎么画
图中,fx2n -32mr是输入/输出点各为16点的继电器型plc,是三菱plc中的
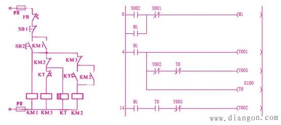
继电器控制电路转换plc梯形图方法图解
更多推荐
plc继电器接线图
继电器自锁电路
继电器电路图
plc控制继电器接线图
时间继电器型号
plc输出与继电器接线图
plc开关电源电路图
电磁继电器
plc控制24v继电器接线图
继电器
继电器工作原理
继电器接线口诀
继电器接线图
中间继电器
继电器原理图
时间继电器
液位继电器
热继电器
继电器符号
时间继电器接线图
时间继电器符号
汽车继电器
中间继电器接线图
液位继电器接线图
24v直流继电器
时间继电器如何接线
继电器图片
plc电路控制原理图
plc与电磁阀接线图
24v继电器接线口诀