首页
伤感说说
动漫配图
心情说说
抖音文案
伤感图片
伤感说说:
伤感的句子说说心情
空间说说
心情说说
爱情说说
女生伤感说说
人生感悟
心情不好的说说
说说带图片
关于生活的说说
说说心情短语
qq空间说说带图片
个性说说
励志名言
一句话经典语录
感悟人生的经典句子
短句吧
情感故事
抖音文案
伤感图片:
伤感图片带字
非主流伤感图片
唯美伤感图片
女生伤感图片
唯美意境图片
悲伤的图片
唯美意境伤感图片
只有字的伤感图片
说说图片
伤心的图片
美甲图片
图片大全
情感图片
微信头像男
动态壁纸
动漫配图
伤感图片
首页
>
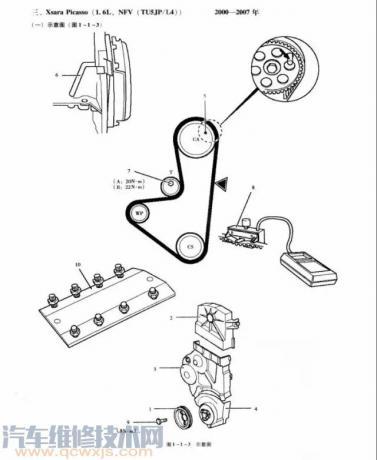
07雪铁龙c2正时图解
07雪铁龙c2正时图解,雪铁龙c2正时图解
雪铁龙c2,标志206/207 8v 拆,检正时系统并检查水泵
雪铁龙世嘉2.0正时怎么对,凸轮轴跟曲轴都看不到点,急啊!
【进口雪铁龙c2/c4/c5正时校对(图解)】图4
标致雪铁龙20发动机正时皮带安装方法
进口雪铁龙c2/c4/c5正时校对(图解)
更多推荐
雪铁龙c2正时图解
雪铁龙c2正时皮带图
东风雪铁龙c2正时图
雪铁龙c2正时
雪铁龙c2正时记号图片
雪铁龙c2正时皮带
雪铁龙c2曲轴正时记号
雪铁龙c2正时皮带记号
雪铁龙c2图解
雪铁龙世嘉曲轴正时图
雪铁龙c2皮带安装图
雪铁龙c2曲轴位置点
雪铁龙c2官方图
雪铁龙c2悬挂
c2正时安装图
雪铁龙c2全车按钮
雪铁龙c2
雪铁龙c2图片大全
雪铁龙c2改装图片大全
雪铁龙c2改装
雪铁龙c2外观
雪铁龙c2报价及图片
雪铁龙c2图片大全内饰
雪铁龙c2内饰
雪铁龙c2最漂亮改装
雪铁龙c2空间
雪铁龙c2改装案例
雪铁龙c2改装拉力
雪铁龙c2外观改装
东风雪铁龙c2