首页
伤感说说
动漫配图
心情说说
抖音文案
伤感图片
伤感说说:
伤感的句子说说心情
空间说说
心情说说
爱情说说
女生伤感说说
人生感悟
心情不好的说说
说说带图片
关于生活的说说
说说心情短语
qq空间说说带图片
个性说说
励志名言
一句话经典语录
感悟人生的经典句子
短句吧
情感故事
抖音文案
伤感图片:
伤感图片带字
非主流伤感图片
唯美伤感图片
女生伤感图片
唯美意境图片
悲伤的图片
唯美意境伤感图片
只有字的伤感图片
说说图片
伤心的图片
美甲图片
图片大全
情感图片
微信头像男
动态壁纸
动漫配图
伤感图片
首页
>
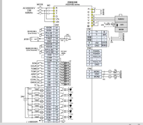
台达asda一b2接线图
台达asda一b2接线图,台达asdab2接线图
台达伺服b2系列接线方法
三菱plc3u 台达b2伺服
台达plc控制伺服asda说明
台达伺服驱动器asda b2 400w接线电机不转
台达伺服电机asda-b2和欧姆龙plc怎么接,最好有图.
更多推荐
台达asdab2接线图
台达b2伺服接线图
台达b2伺服接线图详解
台达b2伺服脉冲接线图
台达B2驱动器接线图
台达b2伺服cn1接线图
台达a2伺服脉冲接线图
台达变频器接线图解
台达plc接线图
台达伺服接线图
台达伺服驱动器接线图
台达
台达电源
台达电机
台达伺服
台达伺服电机
台达图标
台达PLC
台达变频器
台达驱动器
接触器接线图
usb接口接线图
交流接触器接线图
台达风扇
华硕b250m电源接线图解
台达图片
台达官网
三控一灯开关接线图
三相四线电表接线图
奇台达坂