首页
伤感说说
动漫配图
心情说说
抖音文案
伤感图片
伤感说说:
伤感的句子说说心情
空间说说
心情说说
爱情说说
女生伤感说说
人生感悟
心情不好的说说
说说带图片
关于生活的说说
说说心情短语
qq空间说说带图片
个性说说
励志名言
一句话经典语录
感悟人生的经典句子
短句吧
情感故事
抖音文案
伤感图片:
伤感图片带字
非主流伤感图片
唯美伤感图片
女生伤感图片
唯美意境图片
悲伤的图片
唯美意境伤感图片
只有字的伤感图片
说说图片
伤心的图片
美甲图片
图片大全
情感图片
微信头像男
动态壁纸
动漫配图
伤感图片
首页
>
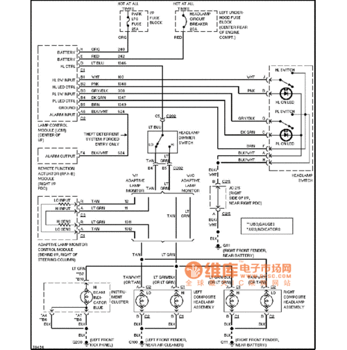
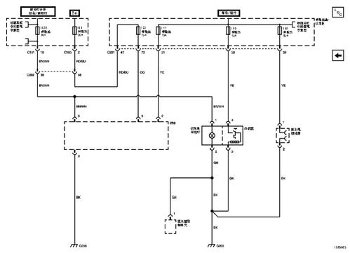
别克凯越仪表电路图
别克凯越仪表电路图,别克凯越电路图
2011上海通用别克凯越全车电路图pdf84页
上海凯越仪表电路图-别克-维库电子市场网
2011上海通用别克凯越全车电路图pdf84页
凯越仪表电路图(六)
上海凯越仪表电路图-别克-维库电子市场网
更多推荐
别克凯越电路图
别克凯越启动电路图
别克凯越电路图全车
别克凯越空调电路图
2006别克凯越电路图
13年别克凯越电路图
别克凯越空调线路图
别克凯越空调开关图解
别克凯越图片
10年别克凯越图片
别克凯越图片内饰
别克凯越老款图片
别克凯越报价及图片
别克凯越图片新款
别克凯越自动挡
别克凯越1.6正时记号图
别克凯越
别克凯越手动挡
别克凯越两厢车图片
别克凯越内饰
别克凯越1.6自动挡
别克凯越1.5自动挡
别克凯越老款
别克凯越新车
别克凯越黑色
别克凯越两厢
别克凯越白色
别克凯越08款
别克凯越新款
别克凯越2020款