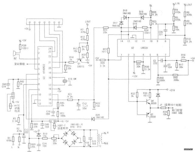
电磁炉lm339电路图,LM339引脚图及功能
- LM339引脚图及功能
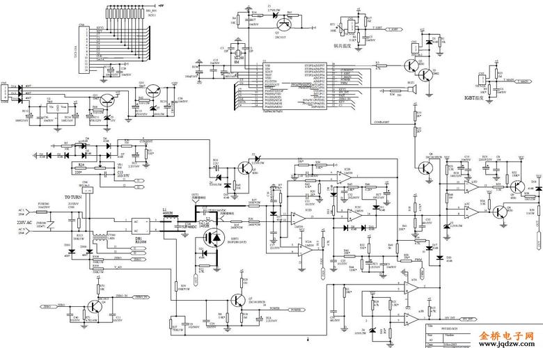
- 电磁炉驱动电路原理图
- 电磁炉lm339各脚电压图
- 九阳电磁炉电路图大全
- lm339简单电路图
- lm339电磁炉电路详解
- 电磁炉电路图详细讲解
- 电磁炉lm339电路图讲解
- 电磁炉线路板电路图
- 电磁炉电路图高清图
- 电磁炉电路图
- 电磁炉电路图讲解
- 电磁炉工作原理电路图
- 美的电磁炉电路图大全
- 电磁炉的电路图纸
- 电磁炉电路图讲解检修
- 美的电磁炉电路图纸
- 电磁炉主板电路图
- 格力电磁炉电路图
- lm339电路图
- 美的电磁炉主板电路图
- 九阳电磁炉维修电路图
- lm339驱动电路图
- lm339电压比较器电路图
- lm339电量显示电路图
- lm339实际应用电路图
- lm339音频灯电路图
- lm324电压比较器电路图
- 电压比较器电路图
- 电磁炉元件认识图解





