起保停plc外部接线图,起保停电路图plc接线图

plc外部接线

plc台达外部接线图

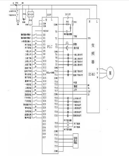
图2为plc外部硬件配置图.控制系统主回路及变频器外部接线如图3所示.

plc外部接线图用什么软件画出来的 都说用autocad 但是还是 不知道

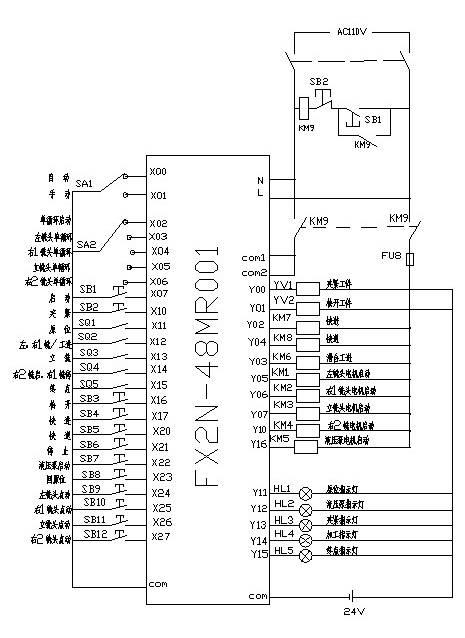
用s7-200plc实现三台电动机顺序起停.
- 起保停电路图plc接线图
- 台达plc外部接线图图解
- 三菱plc外部接线图图解
- plc外部接线图
- 西门子plc外部接线图
- plc外部接线图实物
- plc外部i/o接线图
- 三菱plc外部接线图
- 怎样看懂plc外部接线图
- 起保停电路图plc梯形图
- plc外部接线图画法
- 起保停电路图plc程序
- plc接线图接近开关
- 起保停电路图plc
- plc起保停电路图原理
- plc起保停电路图实物图
- 三菱plcfx2n外部接线图
- 起保停电路图plc西门子
- 西门子plc接线图解
- plc梯形图起保停编程
- plc接线原理图
- plc接线图
- plc接线图实物图详解
- plc接线图实物图
- 起保停plc程序图
- 西门子plc接线图详解
- 西门子plc接线图
- 欧姆龙plc接线图实物图
- plc输入输出接线图
- 起保停电路接线图
