首页
伤感说说
动漫配图
心情说说
抖音文案
伤感图片
伤感说说:
伤感的句子说说心情
空间说说
心情说说
爱情说说
女生伤感说说
人生感悟
心情不好的说说
说说带图片
关于生活的说说
说说心情短语
qq空间说说带图片
个性说说
励志名言
一句话经典语录
感悟人生的经典句子
短句吧
情感故事
抖音文案
伤感图片:
伤感图片带字
非主流伤感图片
唯美伤感图片
女生伤感图片
唯美意境图片
悲伤的图片
唯美意境伤感图片
只有字的伤感图片
说说图片
伤心的图片
美甲图片
图片大全
情感图片
微信头像男
动态壁纸
动漫配图
伤感图片
首页
>
直流串励控制器
直流串励控制器,直流控制器
供应48v 400a 直流串励电机控制器
时风电动汽车常乐60v4000w直流串励电机控制器
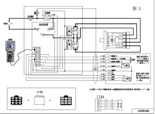
串励直流电动机控制器接线图
直流串励电机控制器
razc直流串励电机控制器
更多推荐
直流控制器
直流串励控制器接线图
串励电机控制器
串励控制器接线图解
康丘乐串励控制器说明
直流串励电机
直流串励电动机
康丘乐串励电机控制器
直流电机控制器原理图
串励电机控制器故障
串励直流电动机
串励电机控制器接线图
常乐串励控制器接线图
直流串励式电动机
控制器
控制器接线
直流串励电动机基本
电机控制器
伺服控制器
时间控制器
直流滤波器
直流串励电动机碳刷
直流串励电动机接线图
直流串励式电动机组成
可编程控制器
串励直流电动机原理图
串励直流电机接线图解
火灾报警控制器
城市控制器
电动卷闸门控制器