a15g发动机正时链条图,福田正时链条安装图解

da468q型发动机正时链条安装示意图

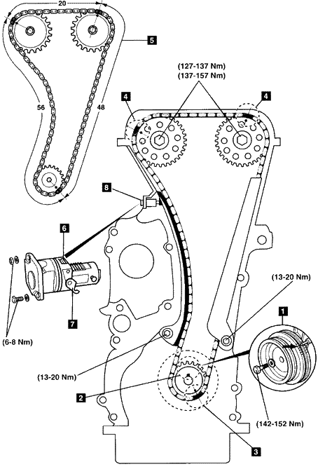
20142017年英菲尼迪esq16tmr16dtt柴油发动机正时
发动机正时皮带的主要作用是驱动发动机的配气机构,使引擎进,排气门

五菱laq发动机怎么对正时

别克陆尊,君威,君越车型发动机正时对位图!
- 福田正时链条安装图解
- 全柴a15g发动机正时图
- A15G发动机正时图
- 4g15发动机正时图
- 4a15发动机正时链条图
- 4a15正时链条记号点图
- 福田时代A15G正时图
- 驭菱a15g发动机正时图
- 东风景逸正时对点图
- dk15发动机正时链条图
- 4g16发动机正时链条图
- 484q发动机正时链条图
- 4y发动机正时链条图
- 469q发动机正时链条图
- 发动机正时链条
- 465发动机正时图解
- 465发动机凸轮轴正时图
- 全柴发动机正时图解
- 4g15发动机正时图记号
- 4g16发动机正时图对法
- 全柴发动机正时图
- bpj发动机凸轮轴链条图
- 469q发动机正时图解
- 4g63发动机正时图
- 465q发动机正时安装图
- 发动机正时
- 4g15T正时链条对法图
- 272发动机高清正时图
- 现代悦动1.6正时链条图
- 4a91正时链条图解
