首页
伤感说说
动漫配图
心情说说
抖音文案
伤感图片
伤感说说:
伤感的句子说说心情
空间说说
心情说说
爱情说说
女生伤感说说
人生感悟
心情不好的说说
说说带图片
关于生活的说说
说说心情短语
qq空间说说带图片
个性说说
励志名言
一句话经典语录
感悟人生的经典句子
短句吧
情感故事
抖音文案
伤感图片:
伤感图片带字
非主流伤感图片
唯美伤感图片
女生伤感图片
唯美意境图片
悲伤的图片
唯美意境伤感图片
只有字的伤感图片
说说图片
伤心的图片
美甲图片
图片大全
情感图片
微信头像男
动态壁纸
动漫配图
伤感图片
首页
>
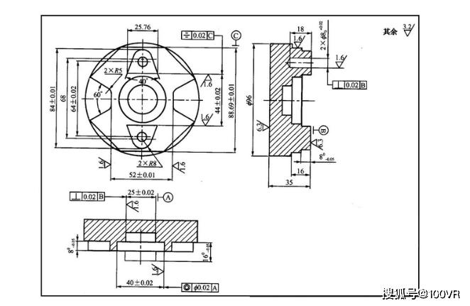
数控铣床加工有趣图纸
数控铣床加工有趣图纸,数控铣床图片
数控铣床加工中心编程实例,带走吧
经典工艺数控加工图纸,练手的时候到了
经典工艺数控加工图纸,练手的时候到了
fanuc系统数控铣床几个简单编程实例!_加工
基于数控龙门镗铣床的异形孔产品加工研究
更多推荐
数控铣床图片
数控铣床可爱图案设计
数控铣床海绵宝宝编程
数控铣好看的卡通图案
数控铣床花朵编程
数控铣创意卡通图案
数控铣床加工图纸
数控铣床图纸有趣
数控车床加工图纸大全
数控铣床图纸工艺品
数控车床加工图纸
数控铣床加工零件图
铣床加工图纸工件
数控铣床加工动漫图案
数控铣床图纸创意
数控铣床图纸
数控铣床图纸简单
数控铣床图纸高级工
数控铣床加工
数控铣床爱心图纸
铣床加工图纸
普通铣床加工图纸大全
数控铣床配合件图纸
铣床加工图纸普通
数控加工图纸
加工中心加工图纸
铣床加工零件图纸
数控大赛加工中心图纸
数控铣工图纸
车床加工图纸