首页
伤感说说
动漫配图
心情说说
抖音文案
伤感图片
伤感说说:
伤感的句子说说心情
空间说说
心情说说
爱情说说
女生伤感说说
人生感悟
心情不好的说说
说说带图片
关于生活的说说
说说心情短语
qq空间说说带图片
个性说说
励志名言
一句话经典语录
感悟人生的经典句子
短句吧
情感故事
抖音文案
伤感图片:
伤感图片带字
非主流伤感图片
唯美伤感图片
女生伤感图片
唯美意境图片
悲伤的图片
唯美意境伤感图片
只有字的伤感图片
说说图片
伤心的图片
美甲图片
图片大全
情感图片
微信头像男
动态壁纸
动漫配图
伤感图片
首页
>
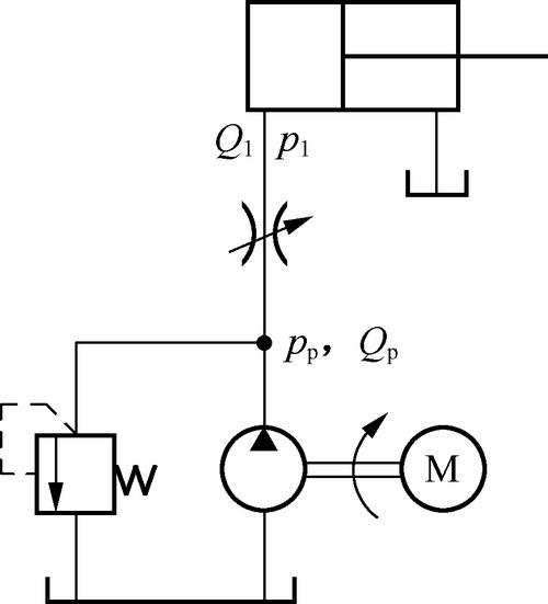
进油节流调速回路
进油节流调速回路,节流调速回路图片
(3)手动换向阀调速: 2,按阀的安装位置分: (1)进油节流调速回路:图
高等教育 工学 汽车机械基础教案-10章_第1节 【课题】速度控制回路
(1)进油节流调速回路:图7-14. (2)回油节流调速回路:图7-15.
节流调速回路的三种基本形式
调速回路概述-节流调速回路ppt
更多推荐
节流调速回路图片
直流电机调速电路图
电机调速开关
调速开关
调速开关怎么接线
220v可调速电机
电机调速
调速减速机
调速
调速开关怎么接线图
电磁调速电机
简易220v电机调速
一回路
单回路
回路
回路开关接线图
吊扇调速开关
液压回路
风扇调速开关
控制回路
调速开关怎么接线图解
四回路保护阀
气动回路
回路开关接法
吊扇调速开关接法
减压回路
调速吊扇开关接线图
差动回路
液压回路原理图
单相电机调速控制器