首页
伤感说说
动漫配图
心情说说
抖音文案
伤感图片
伤感说说:
伤感的句子说说心情
空间说说
心情说说
爱情说说
女生伤感说说
人生感悟
心情不好的说说
说说带图片
关于生活的说说
说说心情短语
qq空间说说带图片
个性说说
励志名言
一句话经典语录
感悟人生的经典句子
短句吧
情感故事
抖音文案
伤感图片:
伤感图片带字
非主流伤感图片
唯美伤感图片
女生伤感图片
唯美意境图片
悲伤的图片
唯美意境伤感图片
只有字的伤感图片
说说图片
伤心的图片
美甲图片
图片大全
情感图片
微信头像男
动态壁纸
动漫配图
伤感图片
首页
>
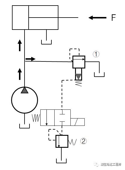
调压回路
调压回路,差动回路
液压设备三级调压回路
(调压回路)
液压系统中的常见调压回路有哪些?
二级调压回路
液压基本回路(74) 2) 远程调压回路 3) 多级调压回路
更多推荐
差动回路
增压回路
卸荷回路
换向回路
减压回路
液压回路
回路
一回路
单回路
控制回路
安全回路
气动回路
回路箱
回路图
脑回路
回路开关接法
液压回路原理图
四回路保护阀
气动回路图
脑回路清奇
回路开关接线图
电线回路接线图
照明回路接线图
控制回路原理图
哈密顿回路
电梯安全回路图纸讲解