首页
伤感说说
动漫配图
心情说说
抖音文案
伤感图片
伤感说说:
伤感的句子说说心情
空间说说
心情说说
爱情说说
女生伤感说说
人生感悟
心情不好的说说
说说带图片
关于生活的说说
说说心情短语
qq空间说说带图片
个性说说
励志名言
一句话经典语录
感悟人生的经典句子
短句吧
情感故事
抖音文案
伤感图片:
伤感图片带字
非主流伤感图片
唯美伤感图片
女生伤感图片
唯美意境图片
悲伤的图片
唯美意境伤感图片
只有字的伤感图片
说说图片
伤心的图片
美甲图片
图片大全
情感图片
微信头像男
动态壁纸
动漫配图
伤感图片
首页
>
消防控制模块图片
消防控制模块图片,消防模块箱图片
海湾消防模块控制两台风机启动停止,麻烦知道的师傅讲解此图模块是
正品 消防模块 控制模块 单输出模块 型单输入 8301 ld gst 海湾
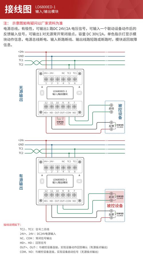
ld6800ed-1输入输出模块 控制模块 利达消防-当宁消防
消防模块是输入输出模块,其功能可以控制一个设备启停功能并将启动
纵观消防设备电源监控系统设计简介
更多推荐
消防模块箱图片
消防控制模块原理图
消防控制模块
消防控制中心图片
消防模块接线图
消防多线控制盘图片
消防图片大全大图片
消防模块接线图解
消防模块工作原理图
消防控制箱图例
消防强切模块接线图
消防广播模块接线图
消防模块
消防模块箱
松江消防模块接线图
消防图片背景图
消防控制箱
消防监视模块
消防图片
消防安全图片
消防风机与模块接线图
消防控制箱接线图原理
消防员图片
消防控制中心
控制模块
消防水炮控制箱
消防水炮控制箱接线图
消防演练图片
消防电系统控制原理图
消防宣传图片