首页
伤感说说
动漫配图
心情说说
抖音文案
伤感图片
伤感说说:
伤感的句子说说心情
空间说说
心情说说
爱情说说
女生伤感说说
人生感悟
心情不好的说说
说说带图片
关于生活的说说
说说心情短语
qq空间说说带图片
个性说说
励志名言
一句话经典语录
感悟人生的经典句子
短句吧
情感故事
抖音文案
伤感图片:
伤感图片带字
非主流伤感图片
唯美伤感图片
女生伤感图片
唯美意境图片
悲伤的图片
唯美意境伤感图片
只有字的伤感图片
说说图片
伤心的图片
美甲图片
图片大全
情感图片
微信头像男
动态壁纸
动漫配图
伤感图片
首页
>
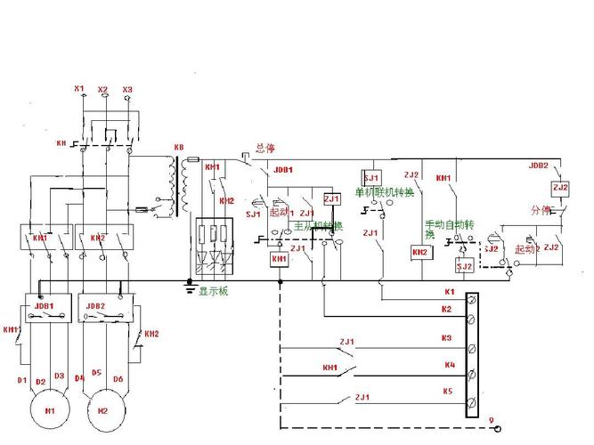
双风机双电源开关图纸
双风机双电源开关图纸,电光双电源风机电路图
双风机双电源开关原理图
ftq3经济型双电源自动转换开关
92dz1双电源两台排烟风机电气设计图
qbz-4×80(120 200)双电源双风机说明书
请问图纸 上排烟风机为什么只有双电源配电箱,没有控制箱呢?
更多推荐
电光双电源风机电路图
双电源自动切换原理图
风机开关切换原理图
煤矿双电源风机开关
煤矿双电源风机接线图
电光2x120风机切换开关
双电源双风机开关讲解
双风机开关故障排除
电光风机开关说明书
双电源开关接线实物图
双电源开关
三相双电源转换开关
双电源转换开关
双电源配电箱接线图
双电源自动切换电路图
双电源电路图
单电源转双电源
双电源接线图
双电源切换配电箱
双电源配电箱接线
双电源配电箱
双电源电路
双电源供电
双电源控制箱原理图
双电源控制柜
双电源自动切换装置
双电源切换箱
双电源切换器
双电源柜
双电源控制箱