首页
伤感说说
动漫配图
心情说说
抖音文案
伤感图片
伤感说说:
伤感的句子说说心情
空间说说
心情说说
爱情说说
女生伤感说说
人生感悟
心情不好的说说
说说带图片
关于生活的说说
说说心情短语
qq空间说说带图片
个性说说
励志名言
一句话经典语录
感悟人生的经典句子
短句吧
情感故事
抖音文案
伤感图片:
伤感图片带字
非主流伤感图片
唯美伤感图片
女生伤感图片
唯美意境图片
悲伤的图片
唯美意境伤感图片
只有字的伤感图片
说说图片
伤心的图片
美甲图片
图片大全
情感图片
微信头像男
动态壁纸
动漫配图
伤感图片
首页
>
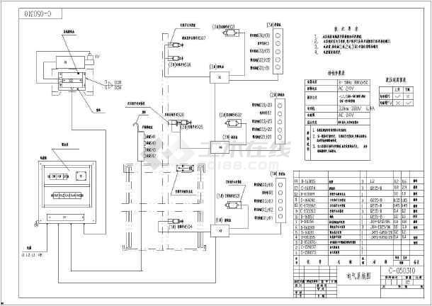
三层货梯接线图
三层货梯接线图,三相四线电表接线图
三层货梯继电器控制原理图.pdf 5页
3层液压货梯电路图380v马达,220v电磁阀,36v控制
现在没有电路图,货梯是三层,各位大虾们帮帮忙有没有这样的电路图.
某厂家三层货梯电气设计cad图
简易货梯控制线电路怎么做?
更多推荐
三相四线电表接线图
接触器接线图
交流接触器接线图
三控开关接线图
货梯平面图
升降货梯图片
开关接线图
继电器接线图
双控开关接线图
三相异步电动机接线图
多控开关接线图
usb接口接线图
三控一灯开关接线图
日光灯接线图
导轨式升降货梯
电动葫芦货梯
双联双控开关接线图
简易货梯
单相电机正反转接线图
货梯升降机
液压货梯
货梯
小型货梯升降机
升降货梯
三层别墅图
接线
小型升降货梯
吊扇怎么接线
电表怎么接线
液压升降货梯