首页
伤感说说
动漫配图
心情说说
抖音文案
伤感图片
伤感说说:
伤感的句子说说心情
空间说说
心情说说
爱情说说
女生伤感说说
人生感悟
心情不好的说说
说说带图片
关于生活的说说
说说心情短语
qq空间说说带图片
个性说说
励志名言
一句话经典语录
感悟人生的经典句子
短句吧
情感故事
抖音文案
伤感图片:
伤感图片带字
非主流伤感图片
唯美伤感图片
女生伤感图片
唯美意境图片
悲伤的图片
唯美意境伤感图片
只有字的伤感图片
说说图片
伤心的图片
美甲图片
图片大全
情感图片
微信头像男
动态壁纸
动漫配图
伤感图片
首页
>
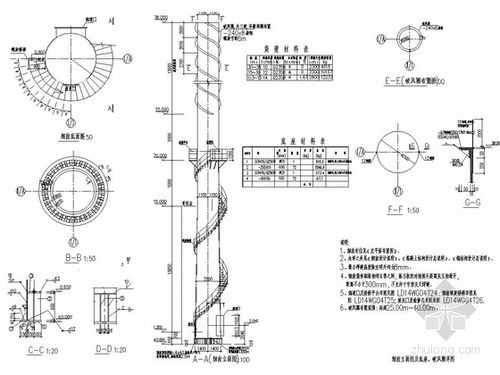
烟囱的破风圈下料图
烟囱的破风圈下料图,烟囱帽的下料展开图
本资料为:简单实用的烟囱立面图及底座和破风圈结构构造设计图,布局
破风圈材料放样_word文档在线阅读与下载_免费文档
钢烟囱制作安装
烟囱立面图及底座和破风圈结构图
一种烟囱破风圈结构
更多推荐
烟囱帽的下料展开图
烟囱破风圈展开图
烟囱的破风圈三维图
烟囱直角下料展开图
下料图
白铁皮烟罩下料图解
烟囱破风圈
烟罩尺寸下料图
烟囱图
烟囱破风圈制作过程
天方地圆下料展开图
防雨帽下料图解
防雨帽展开下料图解
烟囱结构图
料斗下料口闸门
锥形桶下料图解
烟囱破风圈三维
90度弯头下料展开图
弯头下料最简单方法图
下料
下料单
90弯头怎么画下料图
烟囱设计图
喇叭口怎样下料图解
烟囱效果图
烟囱防雨帽图片
下料机
烟囱图片
烟囱帽图片
下料机器