首页
伤感说说
动漫配图
心情说说
抖音文案
伤感图片
伤感说说:
伤感的句子说说心情
空间说说
心情说说
爱情说说
女生伤感说说
人生感悟
心情不好的说说
说说带图片
关于生活的说说
说说心情短语
qq空间说说带图片
个性说说
励志名言
一句话经典语录
感悟人生的经典句子
短句吧
情感故事
抖音文案
伤感图片:
伤感图片带字
非主流伤感图片
唯美伤感图片
女生伤感图片
唯美意境图片
悲伤的图片
唯美意境伤感图片
只有字的伤感图片
说说图片
伤心的图片
美甲图片
图片大全
情感图片
微信头像男
动态壁纸
动漫配图
伤感图片
首页
>
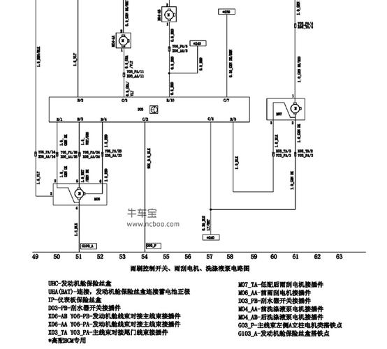
中华v3舱内保险盒图解
中华v3舱内保险盒图解,中华v3室内保险盒图解
平安保险的e生保险怎么样 e键保险
2015-2017款华晨中华v3原厂电路图目录
1085 | 回复: 25 中华h230论坛 手精的同志们麻烦拍一张发动机仓保险
这是保险位置示意图(驾驶舱内,也就是方向盘左下方)
发个老中华发动机舱保险丝盒 仪表板保险丝盒明细图
更多推荐
中华v3室内保险盒图解
中华V3保险丝图纸
中华v3保险丝盒对照表
中华v3室内保险丝盒
中华v3保险盒
中华v3保险盒高清图解
中华v3保险盒图解
华晨中华v3保险盒图解
中华v3保险丝示意图
中华v3保险盒电路图
中华v3发动机舱图解
中华v5保险丝盒对照表
中华h330保险丝图解
中华v3保险盒对照表
中华v3保险丝对照表
中华v3图解
中华v3保险丝盒图解
中华v3车内保险盒图解
中华v6保险盒图解
中华v3所有功能图解
华晨中华车内按键图解
华晨中华v3图片
中华v3内饰图片
悦翔v3保险丝盒图解
中华v3图片及价格内饰
中华v3图片
中华v3空调使用图解
中华v3官方图
中华v3内饰
华晨中华v3