首页
伤感说说
动漫配图
心情说说
抖音文案
伤感图片
伤感说说:
伤感的句子说说心情
空间说说
心情说说
爱情说说
女生伤感说说
人生感悟
心情不好的说说
说说带图片
关于生活的说说
说说心情短语
qq空间说说带图片
个性说说
励志名言
一句话经典语录
感悟人生的经典句子
短句吧
情感故事
抖音文案
伤感图片:
伤感图片带字
非主流伤感图片
唯美伤感图片
女生伤感图片
唯美意境图片
悲伤的图片
唯美意境伤感图片
只有字的伤感图片
说说图片
伤心的图片
美甲图片
图片大全
情感图片
微信头像男
动态壁纸
动漫配图
伤感图片
首页
>
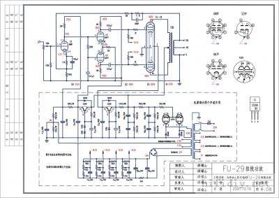
fu29电路图
fu29电路图,电路图图解
刚开始选择的电路,是阎锡山的电路,后来翻了翻家里的管子,发现没有
线路图集请各位大师们提供fu29推挽的图纸
电子管fu296n9p组成的30w并联单端功放电路
谁做过fu29的
6u8推fu29829fy2935w2电子管推挽功放胆机大功率无噪音
更多推荐
电路图图解
fu29单端电路图
电路图
电路图讲解和实物图
fu32并联电路图
fu19单端电路图
电路图实物
简单电路图
并联电路图
fu29电子管推挽电路图
串联电路图
电路图入门
开关电源电路图及原理
互锁电路图
电路图设计
6f2电子管应用电路图
电子管fu29单端电路图
6F2推fU29电子管电路图
自锁电路图
点动控制电路图
初中电路图
装修电路图
电路图怎么画
电路图符号大全
最简单10个电路图
正反转控制电路图
fu29推挽胆机电路图
fu29电子管推挽电路
6f2前级经典电路图
电路图基础知识入门