fu29单端电路图,fu19单端电路图

我只有一个fu29的管子想把这个图里面的fu-32换成fu-29,不知道电路中

6u8推fu29/829/fy29 35w*2电子管推挽功放 胆机 大 无

fu29fm30单端-sch.jpg

fu29并联单端2x30w功放电路图

用fu29制作240w推挽功放电路
- fu19单端电路图
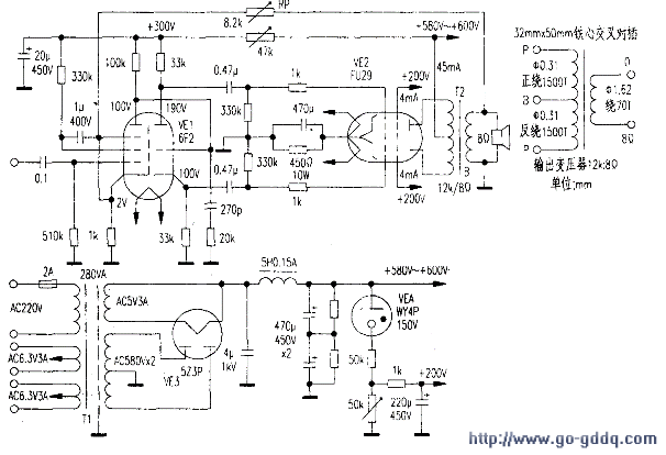
- 电子管fu29单端电路图
- fd422单端电路图
- 211电子管单端电路图
- fu7单端电路图
- 211单端电路图
- el34单端电路图
- 6n6单端电路图
- 经典6l6单端电路图
- 6p15单端电路图
- 经典fu7单端电路图
- 6v6单端电路图
- fu29电路图
- fu7单端胆机电路图
- 极品6v6单端电路图
- fu50单端胆机电路图
- fu29电子管推挽电路图
- 单端甲类功放电路图
- el34单端经典电路图
- el34单端电路图甲类
- kt88单端胆机电路图
- 6f2电子管应用电路图
- 6p1单端功放电路图
- 6p14单端功放电路图
- 6n9p推el34单端电路图
- fu32并联电路图
- j版纯二el34单端电路图
- 6F2推fU29电子管电路图
- fu29推挽胆机电路图
- fu29电子管推挽电路
