首页
伤感说说
动漫配图
心情说说
抖音文案
伤感图片
伤感说说:
伤感的句子说说心情
空间说说
心情说说
爱情说说
女生伤感说说
人生感悟
心情不好的说说
说说带图片
关于生活的说说
说说心情短语
qq空间说说带图片
个性说说
励志名言
一句话经典语录
感悟人生的经典句子
短句吧
情感故事
抖音文案
伤感图片:
伤感图片带字
非主流伤感图片
唯美伤感图片
女生伤感图片
唯美意境图片
悲伤的图片
唯美意境伤感图片
只有字的伤感图片
说说图片
伤心的图片
美甲图片
图片大全
情感图片
微信头像男
动态壁纸
动漫配图
伤感图片
首页
>
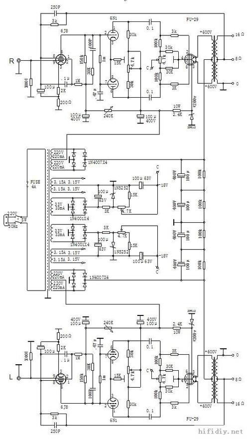
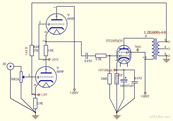
6F2推fU29电子管电路图
6F2推fU29电子管电路图,6f2电子管前级电路图
论坛 69 论坛技术讨论专区 69 胆机diy论坛 69 咋找不到fu29
6u8推fu29/829/fy29 35w*2电子管推挽功放 胆机 大功率 无噪音
论坛 69 论坛技术讨论专区 69 胆机diy论坛 69 求教fu29灯丝的
论坛 69 论坛技术讨论专区 69 胆机diy论坛 69 谁做过fu29的 9
我只有一个fu29的管子想把这个图里面的fu-32换成fu-29,不知道电路中
更多推荐
6f2电子管前级电路图
fu29推挽70w
6f2前级经典电路图
fu29电子管单端电路图
fu29电子管推挽电路图
6F2推fU29电子管电路图
电子管fu29单端电路图
6f2电子管应用电路图
fu29电子管推挽电路
电子管前级电路图
6f2电子管单端功放电路
fu29推挽胆机电路图
6f2电子管参数引脚图
fu29电子管参数引脚图
fu29单端电路图
fu29电路图
6f2电子管参数结构图
6f2电子管管脚图
fu19单端电路图
fu32胆机电路图纸
fu29电子管
fu32并联电路图
电子管结构图
fu29电子管参数
6f2电子管
电子管晶体管
fu29电子管参数资料
fu29电子管基本参数
fu32电子管参数
6f2电子管参数