首页
伤感说说
动漫配图
心情说说
抖音文案
伤感图片
伤感说说:
伤感的句子说说心情
空间说说
心情说说
爱情说说
女生伤感说说
人生感悟
心情不好的说说
说说带图片
关于生活的说说
说说心情短语
qq空间说说带图片
个性说说
励志名言
一句话经典语录
感悟人生的经典句子
短句吧
情感故事
抖音文案
伤感图片:
伤感图片带字
非主流伤感图片
唯美伤感图片
女生伤感图片
唯美意境图片
悲伤的图片
唯美意境伤感图片
只有字的伤感图片
说说图片
伤心的图片
美甲图片
图片大全
情感图片
微信头像男
动态壁纸
动漫配图
伤感图片
首页
>
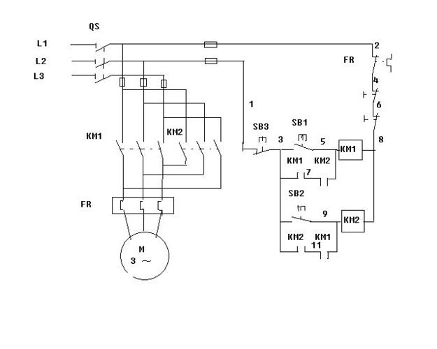
简易货梯电路图
简易货梯电路图,二层货梯电路图
三层货梯继电器控制原理图.pdf 5页
求六层简易货梯电路图是用中继和接触器的
货梯电路 用一个继电器,2层 ,按了开关之后,铃响3秒,然后货梯才启动.
有谁知道货梯的简易电路
四层楼升降机简单控制电路图
更多推荐
二层货梯电路图
升降货梯电路图
三层货梯电路图
三层货梯实物接线图
液压升降货梯电路图
二层升降货梯电路图
货梯电路图
货梯控制电路图
货梯电路图解
简易电子开关电路图
简易电路图
简易喇叭电路图
四层货梯控制电路图
二层货梯控制电路图
简易反相器电路图
二层液压货梯电路图
简单电路图
简易电路图怎么画
空调的简易电路图
二层电梯控制电路图
传菜电梯控制电路图
液压货梯电路图及原理
简易电路图红绿灯
传菜升降电梯电路图
直流变交流简易电路图
简易货梯
起动机简易电路图
12v充电器电路图简易
货梯控制器线路图
三层货梯接线图