首页
伤感说说
动漫配图
心情说说
抖音文案
伤感图片
伤感说说:
伤感的句子说说心情
空间说说
心情说说
爱情说说
女生伤感说说
人生感悟
心情不好的说说
说说带图片
关于生活的说说
说说心情短语
qq空间说说带图片
个性说说
励志名言
一句话经典语录
感悟人生的经典句子
短句吧
情感故事
抖音文案
伤感图片:
伤感图片带字
非主流伤感图片
唯美伤感图片
女生伤感图片
唯美意境图片
悲伤的图片
唯美意境伤感图片
只有字的伤感图片
说说图片
伤心的图片
美甲图片
图片大全
情感图片
微信头像男
动态壁纸
动漫配图
伤感图片
首页
>
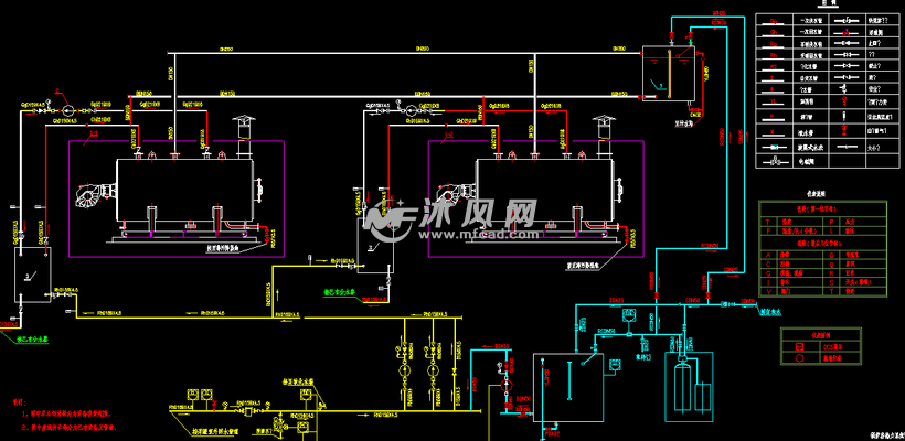
锅炉房系统工作流程图
锅炉房系统工作流程图,锅炉房
锅炉系统流程图
燃气锅炉工作流程图
锅炉房运行工艺流程图
锅炉房系统流程图
锅炉房流程图
更多推荐
锅炉房
老锅炉房
锅炉房图片
锅炉房效果图
锅炉房设计图
锅炉房平面图
旧锅炉房
锅炉房外观
大型锅炉房图片
家用锅炉房
老式锅炉房
小型锅炉房
热水锅炉房
锅炉房安全标识
锅炉房建筑
别墅锅炉房
小区锅炉房
燃煤锅炉房
供暖锅炉房
锅炉房卡通
燃气锅炉房
锅炉房安全标识牌
锅炉房安全管理制度