首页
伤感说说
动漫配图
心情说说
抖音文案
伤感图片
伤感说说:
伤感的句子说说心情
空间说说
心情说说
爱情说说
女生伤感说说
人生感悟
心情不好的说说
说说带图片
关于生活的说说
说说心情短语
qq空间说说带图片
个性说说
励志名言
一句话经典语录
感悟人生的经典句子
短句吧
情感故事
抖音文案
伤感图片:
伤感图片带字
非主流伤感图片
唯美伤感图片
女生伤感图片
唯美意境图片
悲伤的图片
唯美意境伤感图片
只有字的伤感图片
说说图片
伤心的图片
美甲图片
图片大全
情感图片
微信头像男
动态壁纸
动漫配图
伤感图片
首页
>
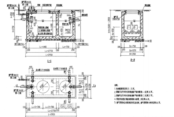
二级化粪池尺寸比例图
二级化粪池尺寸比例图,二级化粪池尺寸图片
9套化粪池结构设计图纸
根据图一化粪池的采用6立方容积的,那图三的尺寸规格怎么跟图二对应呢
和田地区环保型化粪池@10 玻璃钢化粪池尺寸
绵阳玻璃钢工艺管道多少钱一次设备齐全
玻璃钢化粪池尺寸图
更多推荐
二级化粪池尺寸图片
农村二级化粪池结构图
二级化粪池结构图详解
二级化粪池
二级化粪池做法图片
二级化粪池设计
二格化粪池结构图
二化粪池怎么做图片
三级化粪池
砖砌二格化粪池结构图
红砖二格化粪池图
化粪池结构图
二格化粪池图片
化粪池图集
化粪池结构图家用
化粪池结构图三格
二格化粪池
二格式化粪池接管子图
化粪池图片
农村简单二格化粪池
化粪池
三格式化粪池完整图
化粪池的管子安装图片
三格化粪池实景图
化粪池的构造
化粪池内部
三格式化粪池正确图片
简易化粪池
两格化粪池
化粪池的构造内部