首页
伤感说说
动漫配图
心情说说
抖音文案
伤感图片
伤感说说:
伤感的句子说说心情
空间说说
心情说说
爱情说说
女生伤感说说
人生感悟
心情不好的说说
说说带图片
关于生活的说说
说说心情短语
qq空间说说带图片
个性说说
励志名言
一句话经典语录
感悟人生的经典句子
短句吧
情感故事
抖音文案
伤感图片:
伤感图片带字
非主流伤感图片
唯美伤感图片
女生伤感图片
唯美意境图片
悲伤的图片
唯美意境伤感图片
只有字的伤感图片
说说图片
伤心的图片
美甲图片
图片大全
情感图片
微信头像男
动态壁纸
动漫配图
伤感图片
首页
>
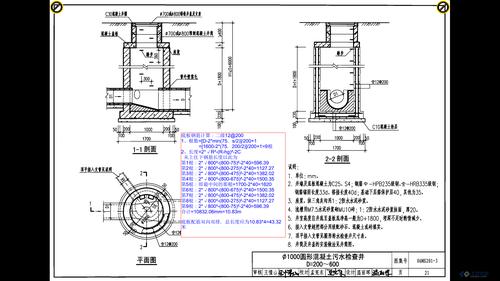
电力直通井钢筋配筋图
电力直通井钢筋配筋图,电力井的施工步骤图片
矩形直线,三通混凝土雨水检查井及配筋设计图
2)监理工程师对电力检查井钢筋进行验收.
预制装配式钢筋混凝土排水检查井 05ss521
检查井钢筋
1】 地面操作钢筋混凝土矩形立式闸阀井(dn50300)配筋图 最后一页
更多推荐
电力井的施工步骤图片
电力井钢筋绑扎图片
电力井钢筋配筋图
电力直通井图集
电力电缆井图集
电力井施工照片
电力井配钢筋做法图
电力工井钢筋制作图
三通电力井施工图
电力三通井图集
电力直通井
电力井施工图片大全
电力工程图纸
电力工井基础制作